NTH 回转油压缸

产品展示

NTH 回转油压缸

S 中实回转油压缸

ROTARY HYDRAULIC CYLINDER

点击产品图片放大

资料下载

在线询盘

产品详细介绍

品牌/Brand:NTH

回转阀部件与缸体重量轻。
回转阀内部的轴承能被充分润滑与冷却,回转速度高,使用寿命长。
泄油孔油管必须单独接回油压槽,以免产生背压。
The rotary valve and cylinder body, all made of light alloy, light weight.
The inside bearing of the rotary valve can be get lubricated and cooled sufficiently and endure high speed rotary for longer service life.
The drain port should be independently connected to oil tank to avoid back pressure.

2025新澳原料资料大全

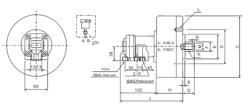
尺寸单位/Size unit: mm

规格 Spec
型号 Model
活塞面积
Piston area cm2
押侧Extend
活塞面积
Piston area cm2
拉侧Retract
活塞行程
Piston stroke
mm
最高转速
Max RPM
最大使用压力
Max.Operating Pressure
Mpa(kgf/cm2)
惯性矩
I
kg*m2
重量
Weight
kg
S-65 31 27.9 15 6000 3.5(35) 0.01 2.9
S-80 47.7 42.8 15 6000 3.5(35) 0.01 3.4
S-100 75.4 70.5 20 5500 3.5(35) 0.04 4.9
S-125 119.6 112.5 25 5500 3.5(35) 0.08 6.8
S-150 173.6 157.7 30 4000 4.0(40) 0.18 11.5
S-200 310 286.3 35 4000 4.0(40) 0.38 20.4


规格 Spec
型号 Model
A B C D E H7 F G Max G Min H J K L M H8 N P
S-65 65 15 98 80 60 22 45 30 74 175 M12×30 6~M8×16 - - PT3/8
S-80 80 15 112 90 65 25 45 30 74 175 M16×30 6~M8×16 - - PT3/8
S-100 100 20 135 100 80 25 45 25 89 190

M20×30

6~M10×20 - - PT3/8
S-125 125 25 160 130 110 30 50 25 96 197

M24×44

6~M12×20 - - PT3/8
S-150 150 30 190 130 110 45 55 25 105 206 M30×45 12~M12×24 31 5 PT1/2
S-200 200 35 245 145 120 55 70 35 130 231 M36×60 12~M16×30 37 5 PT1/2
保留技术更改的权利,恕不另行通知 Subject to technology changes without prior information
非标需求可定做 Non-standard requirements can be made

最新新闻

  • 东莞国际机床展览会

    展会及展位信息: 时间:2025.10.29-11.01 开放时间:09:00-18:00 地点: 广东现代国际展览中心 展位号:3A-08

    深入了解
  • 玉环国际机床展览会

    展会及展位信息: 时间:2025.10.17-10.20 开放时间:09:00-18:00 地点: 浙江省台州市玉环市玉环会展中心 展位号:W2-T26

    深入了解
  • 武汉国际机床展-中国国际机电产品博览会WME

    展会及展位信息: 时间:2025年10月11日-13日 开放时间:09:00-18:00 地点:武汉国际博览中心 展位号:B1-1306 & B1-1004

    深入了解