NTH 回转油压缸

产品展示

NTH 回转油压缸

SRD-N 双杆式回转油压缸

DOUBLE ROD ROTATING CYLINDER

点击产品图片放大

资料下载

在线询盘

产品详细介绍

品牌/Brand:NTH

双杆型回转油压缸体型短,重量轻。
泄油孔油管必须单独接回油压槽,以免产生背压。
The double rods rotary cylinder is the type of short form, light weight.
The drain port should be independently connected to oil tank to avoid back pressure.

2025新澳原料资料大全


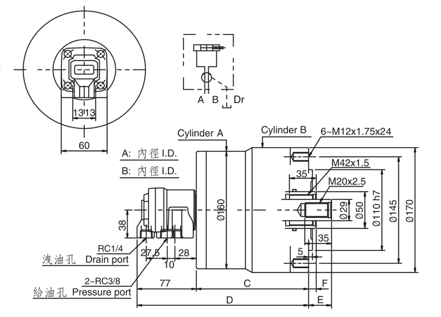
尺寸单位/Size unit: mm

规格 Spec
型号 Model
活塞面积
Piston area cm2
押侧Extend
A
活塞面积
Piston area cm2
押侧Extend
B
活塞面积
Piston area cm2
拉侧Retract
A
活塞面积
Piston area cm2
拉侧Retract
B
SRD-120N 122.7 126.1 116.1 113.1
SRD-125N 122.7 126.1 116.1 113.1


规格 Spec
型号 Model
活塞行程
Piston stroke
mm
最高转速
Max RPM
最大使用压力
Max.Operating Pressure
Mpa(kgf/cm2)
惯性矩
I
kg*m2
重量
Weight
kg
SRD-120N 20 5000 3.0(30) 0.14 11.2
SRD-125N 25 5000 3.0(30) 0.15 11.4


规格 Spec
型号 Model
A B C D E Max. E Min. F Max. F Min.
SRD-120N 130 125 137 215 60 40 35 15
SRD-125N 130 125 147 224 55 30 35 10

保留技术更改的权利,恕不另行通知 Subject to technology changes without prior information
非标需求可定做 Non-standard requirements can be made

最新新闻

  • 东莞国际机床展览会

    展会及展位信息: 时间:2025.10.29-11.01 开放时间:09:00-18:00 地点: 广东现代国际展览中心 展位号:3A-08

    深入了解
  • 玉环国际机床展览会

    展会及展位信息: 时间:2025.10.17-10.20 开放时间:09:00-18:00 地点: 浙江省台州市玉环市玉环会展中心 展位号:W2-T26

    深入了解
  • 武汉国际机床展-中国国际机电产品博览会WME

    展会及展位信息: 时间:2025年10月11日-13日 开放时间:09:00-18:00 地点:武汉国际博览中心 展位号:B1-1306 & B1-1004

    深入了解