

|
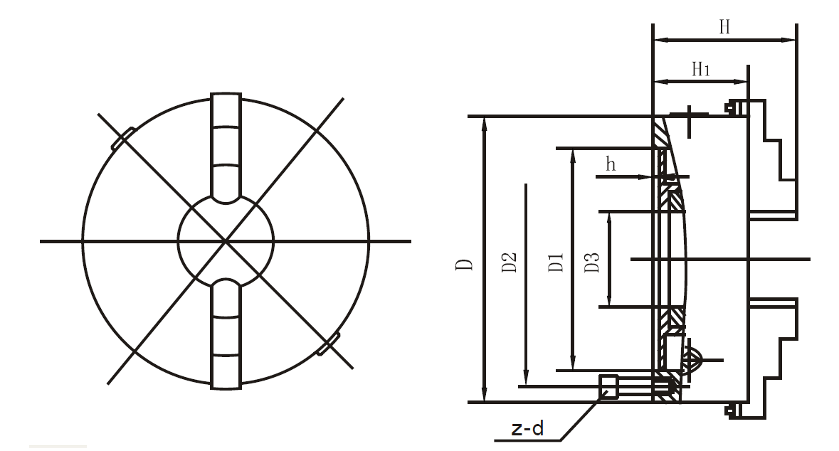
规格/型号D SPEC./MODEL |
卡盘尺寸 Chuck Size |
D1 | D2 | 03 | H1 | h | Z | D | H |
|---|---|---|---|---|---|---|---|---|---|
| K10-80 | 80 | 55 | 66 | 16 | 50 | 4 | 3 | M6 | 66.5 |
| K10-100 | 100 | 72 | 84 | 22 | 55 | 3 | 3 | M8 | 74.5 |
| K10-125 | 125 | 95 | 108 | 30 | 58 | 4 | 3 | M8 | 84.5 |
| K10-160 | 160 | 130 | 142 | 45 | 65 | 5 | 3 | M8 | 94 |
| K10-200 | 200 | 165 | 180 | 65 | 75 | 6 | 3 | M10 | 109 |
| K10-250 | 250 | 206 | 226 | 80 | 80 | 6 | 3 | M12 | 120 |
| K10-315 | 315 | 260 | 285 | 100 | 90 | 6 | 3 | M16 | 147.5 |
| K10-400 | 400 | 340 | 368 | 130 | 112.5 | 6 | 3 | M16 | 173.5 |
|
规格/型号 DSPEC./MODEL |
夹持范围 Max.Gripping Dia 正爪 Internal Jaws |
极限转速 Max.speed(r.p.m) |
最大静夹持力 Max.GrippingForce(KN) |
毛重 Gross.Weight(Kg) |
|---|---|---|---|---|
| K10-80 | 2-70 | 4000 | 8 | 1.7 |
| K10-100 | 2-90 | 3500 | 10 | 2.8 |
| K10-125 | 2.5-125 | 3000 | 15 | 4.7 |
| K10-160 | 3-160 | 2500 | 22 | 8 |
| K10-200 | 4-200 | 2000 | 28 | 15 |
| K10-250 | 6-250 | 1600 | 32 | 25 |
| K10-315 | 10-315 | 1200 | 36 | 45 |
| K10-400 | 15-400 | 1000 | 40 | 69 |
下一条:K11 三爪自定心卡盘(整体爪)
上一条:K03系列六爪自定心手紧卡盘