NTH 手动卡盘 国标系列

产品展示

NTH 手动卡盘 国标系列

K11系列短锥三爪自定心卡盘 A型

K11 SERIES DIRECT MOUNTING 3-JAW SELF-CENTERING CHUCKS( TYPE A)

点击产品图片放大

资料下载

在线询盘

产品详细介绍

2025新澳原料资料大全

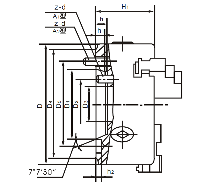
A1型穿通螺钉连接 Form A1(Use Inner Tapped Hole)

货号

Code No

D D1 D2 D3 D4 D5 H1 h h1 h2 d1 z-d

重kg

Net wt.

K11200 /A1-5
K11200C/A1-5
K11200A/A1-5
200 82.563 61.9 40 133 104.8 84 14.288 12 6.5 16.3 3-M10 17
K11250 /A1-6
K11250C/A1-6
K11250A/A1-6
250 106.375 82.6 55 165 133.4 93 15.875 13 6.5 19.5 6-M12 31
K11325 /A1-6
K11325C/A1-6
K11325A/A1-6
325 106.375 82.6 55 165 133.4 106 15.875 13 6.5 19.5 6-M12 52
K11325 /A1-8
K11325C/A1-8
K11325A/A1-8
325 139.719 111.1 78 210 171.4 106 17.462 14 8 24.2 6-M16 53
K11380 /A1-8
K11380C/A1-8
K11380A/A1-8
380 139.719 111.1 78 210 171.4 118 17.462 14 8 24.2 6-M16 81
K11500A/A1-11 500 196.869 165.1 125 280 235 135 19.050 16 10 29.4 6-M20 159
K11500A/A1-15 500 285.775 247.6 200 380 330.2 135 20.638 17 10 35.7 6-M22 159

A2型外圈螺钉连接 Form A2(Use Outer Tapped Hole)

货号

Code No

D D1 D3 D4 D5 H1 h h1 h2 d1 z-d

净重Kg

Net wt.

K11200 /A2-4
K11200C/A2-4
K11200A/A2 -4
200 63.513 60 108 86 82.6 - 10 6.5 14.7 3-M10 17
K11500A/A2-11 500 196.869 190 280 135 235 20 16 10 29.4 6-M20 159

最新新闻

  • 东莞国际机床展览会

    展会及展位信息: 时间:2025.10.29-11.01 开放时间:09:00-18:00 地点: 广东现代国际展览中心 展位号:3A-08

    深入了解
  • 玉环国际机床展览会

    展会及展位信息: 时间:2025.10.17-10.20 开放时间:09:00-18:00 地点: 浙江省台州市玉环市玉环会展中心 展位号:W2-T26

    深入了解
  • 武汉国际机床展-中国国际机电产品博览会WME

    展会及展位信息: 时间:2025年10月11日-13日 开放时间:09:00-18:00 地点:武汉国际博览中心 展位号:B1-1306 & B1-1004

    深入了解