
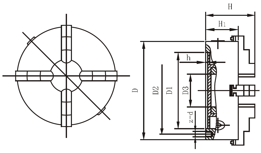
|
货号 Code No |
卡盘尺寸 Chuck Size |
D1 | D2 | D3 | H | H1 | h | z-d |
净重KG Net wt. |
|---|---|---|---|---|---|---|---|---|---|
| K12-80 | 80 | 55 | 66 | 16 | 66.5 | 50 | 4 | 3-M6 | 2.0 |
| K12-100 | 100 | 72 | 84 | 22 | 74.5 | 53.5 | 3 | 3-M8 | 3.0 |
| K12-125 | 125 | 95 | 108 | 30 | 84.5 | 58 | 4 | 3-M8 | 5.0 |
| K12-130 | 130 | 100 | 115 | 30 | 86.5 | 60 | 5 | 3-M8 | 5.6 |
| K12-160 | 160 | 130 | 142 | 45 | 94.0 | 65 | 5 | 3-M8 | 8.8 |
| K12-165 | 165 | 130 | 145 | 45 | 94.0 | 65 | 5 | 3-M8 | 9.8 |
| K12-190 | 190 | 155 | 172 | 55 | 105.0 | 75 | 5 | 3-M10 | 13.8 |
| K12-200 | 200 | 165 | 180 | 65 | 109.0 | 75 | 5 | 3-M10 | 15.5 |
| K12-240 | 240 | 195 | 215 | 70 | 120.0 | 80 | 8 | 3-M12 | 25.0 |
| K12-250 | 250 | 206 | 226 | 80 | 120.0 | 80 | 5 | 3-M12 | 26.0 |
| K12-315 | 315 | 260 | 285 | 100 | 147.5 | 90 | 6 | 3-M16 | 50.0 |
| K12-320 | 320 | 270 | 290 | 100 | 147.5 | 90 | 6 | 3-M16 | 53.0 |
| K12-325 | 325 | 272 | 296 | 100 | 147.5 | 90 | 6 | 3-M16 | 66.0 |
| K12-380 | 380 | 325 | 350 | 130 | 173.5 | 100 | 6 | 3-M16 | 82.0 |
| K12-400 | 400 | 340 | 368 | 130 | 173.5 | 100 | 6 | 3-M16 | 85.0 |
| K12-500 | 500 | 440 | 465 | 210 | 202.0 | 115 | 6 | 6-M16 | 119.0 |
| K12-630 | 630 | 560 | 595 | 260 | 220.5 | 135 | 6 | 6-M16 | 185.0 |