SCA产品介绍
汽车行业专用卡盘,用于各种汽车刹车毂的夹持加工。
自定心精度高,夹持范围广,重量轻。
Special-purpose automobile chucks.Recommended specially for clamping and machining various automobile brake hubs.
With high self-centring precision, large clamping rangeand light weight.

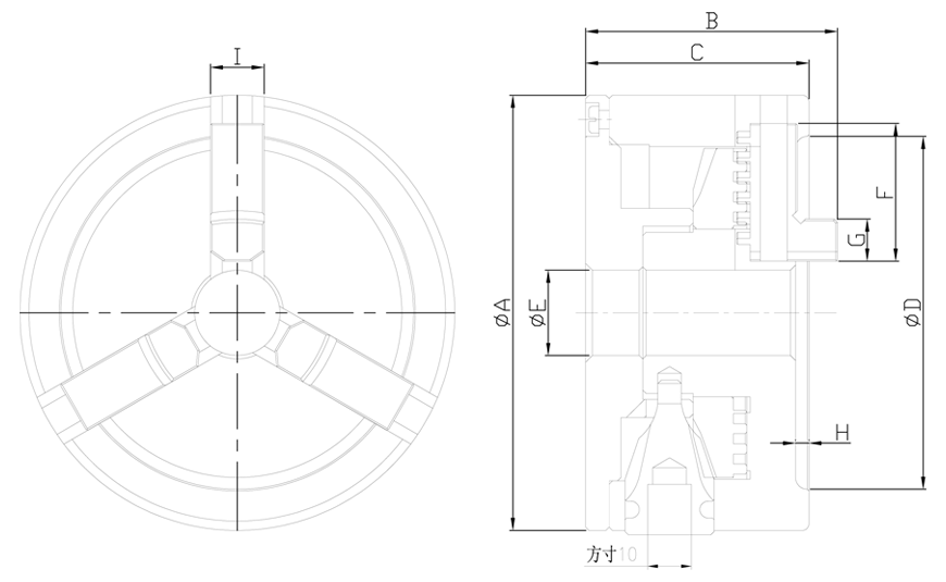
尺寸单位/Size Unit:mm
|
型式/规格 |
A |
B |
C |
D |
E |
F |
G |
H |
I |
夹持范围 |
净重
Weight
kg
|
|---|---|---|---|---|---|---|---|---|---|---|---|
|
SCA-130-1 |
129.5 |
75 |
66.5 |
105 |
25.4 |
41 |
12.5 |
4 |
16 |
50.4-90 |
4.8 |
|
SCA-130-2 |
129.5 |
75 |
66.5 |
105 |
25.4 |
41 |
12.5 |
4 |
16 |
88.5-130 |
4.9 |
保留技术更改的权利,恕不另行通知 Subject to technology changes without prior information
非标需求可定做 Non-standard requirements can be made
下一条:SI三爪单连复合卡盘