SI 产品介绍
适用于车床、转台、加工中心等设备,不用更换卡盘,即可实现加工规格工件以及不规则工件。
既有自定心卡盘的夹持功能,又有单动卡盘的夹持功能。
后孔安装设计,可改装为前后锁共用。
It can be used onto lathe machine, rotary table or CNC machine andso on, it can work for regular or irregular workpiece without changingthe chuck.
lt has the gripping function of both scroll chuck and independentmovement chuck.
Back mounting hole design, and front mounting is achievable.

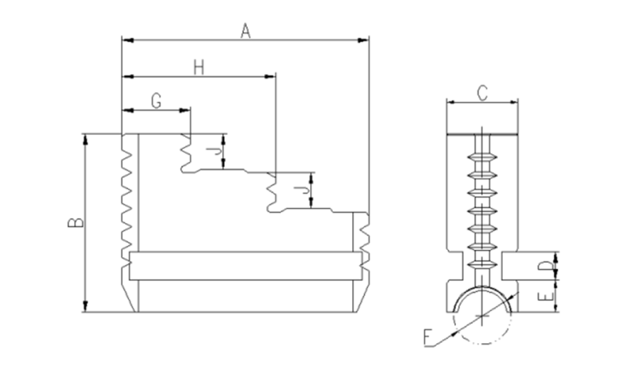
尺寸单位/Size Unit:mm
|
型式/规格 |
A |
B |
C |
D |
E |
F |
G |
|---|---|---|---|---|---|---|---|
|
SIF-160 |
160 |
82 |
4 |
125 |
42 |
140 |
3-M10 |
|
SIF-200 |
200 |
86 |
4 |
160 |
55 |
176 |
3-M10 |
|
SIF-250 |
250 |
101 |
5 |
200 |
76 |
224 |
3-M12 |
|
SIF-315 |
315 |
118 |
5 |
260 |
103 |
286 |
3-M16 |
|
SIF-400 |
400 | 124 | 6 | 330 | 136 | 362 |
3-M16 |
|
SIF-500 |
500 | 145 | 6 | 420 | 190 | 458 |
3-M16 |
|
SIF-630 |
630 | 160 | 7 | 545 | 252 | 586 |
3-M16 |
|
SIF-800 |
800 | 200 | 10 | 710 | 267 | 760 |
3-M20 |
|
SIF-1000 |
1000 | 236 | 10 | 910 | 460 | 950 |
3-M24 |
|
SIF-1250 |
1250 | 241 | 10 | 1000 | 560 | 1100 |
3-M30 |
|
型式/规格 |
H |
J |
K |
R |
W |
最高转速 RPM max |
|---|---|---|---|---|---|---|
|
SIF-160 |
69 |
28.5 |
11 |
6 |
22.3 |
3200 |
|
SIF-200 |
85 |
31 |
11 |
8 |
26 |
3000 |
|
SIF-250 |
91 |
33 |
14 |
8 |
29.3 |
2500 |
|
SIF-315 |
125 |
42 |
14 |
10 |
32 |
2000 |
|
SIF-400 |
145 |
58 |
17 |
10 |
36 |
1500 |
|
SIF-500 |
180 | 61 | 19 | 12 | 43.5 | 1000 |
|
SIF-630 |
225 | 72 | 19 | 12 | 48.5 | 750 |
|
SIF-800 |
245 | 67 | 19 | 17 | 57.5 | 600 |
|
SIF-1000 |
245 | 88 | 24 | 19 | 67 | 380 |
|
SIF-1250 |
245 | 88 | 24 | 19 | 72 | 200 |
尺寸单位/Size Unit:mm
|
型式/规格 |
A |
B |
C |
D |
E |
F |
G |
H |
J |
|---|---|---|---|---|---|---|---|---|---|
|
HJ-SIF-160 |
69 |
50 |
20 |
8 |
9 |
Tr16x2 |
19 |
43 |
10 |
|
HJ-SIF-200 |
85 |
58 |
25 |
10 |
11 |
Tr18x2 |
23.5 |
57.5 | 12 |
|
HJ-SIF-250 |
91 |
59 |
28 |
10 |
10 |
Tr18x2 |
26.5 |
60 | 14 |
尺寸单位/Size Unit:mm
|
型式/规格 |
A |
B |
C |
D |
E |
F |
G |
|---|---|---|---|---|---|---|---|
|
BJ-SIF-160 |
64 |
16 |
28 |
20 |
9 |
27 |
10 |
|
BJ-SIF-200 |
79 |
18 |
36 |
25 |
9 |
33.5 |
12 |
|
BJ-SIF-250 |
92 |
17.5 |
40 |
28 |
10 |
40 |
12 |
保留技术更改的权利,恕不另行通知 Subject to technology changes without prior information
非标需求可定做 Non-standard requirements can be made
下一条:SM钢体超薄自定心卡盘
上一条:SI三爪单连复合卡盘