其他卡盘

产品展示

其他卡盘

FCT 普通型四爪可调式钢壳夹头

FCT 4-JAW ADJUSTMENT STEEL BODY SCROLL CHUCKS

点击产品图片放大

资料下载

在线询盘

产品详细介绍

2025新澳原料资料大全

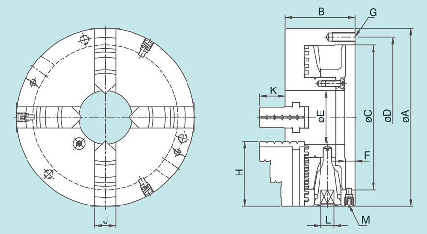
规格 / Specification  单位/UNIT:mm

型式/规格
MODEL/SPEC
最高转速
Max. RPM
外径夹持范围
O.D.Clamping Range
mm
内径夹持范围
I.D.Clamping Range
mm
净重
Weight
kg
FCT-07 3500 Ø4-Ø180 Ø56170 13.2
FCT-09 2900 Ø5-Ø220 Ø62210 20.7
FCT-10 2500 Ø6-Ø260 Ø70250 29.8
FCT-12 2200 Ø10-Ø300 Ø86290 44.4


型式/规格
MODEL/SPEC
A B C D E F G H J K L M
FCT-07 193 85 155 172 58 12 3-M10x1.5P 75 24 28.5 11 4-M10×1.5P
FCT-09 233 92 190 210 70 12.5 3-M12x1.75P 85 28 33 12 4-M10×1.5P
FCT-10 275 98 230 250 89 12.5 3-M12x1.75P 98 30 38 12 4-M10×1.5P
FCT-12 310 111 260 285 105 14 3-M12x1.75P 110 32 45 14 4-M12×1.75P
保留技术更改的权利,恕不另行通知 Subject to technology changes without prior information
非标需求可定做 Non-standard requirements can be made

最新新闻

  • 东莞国际机床展览会

    展会及展位信息: 时间:2025.10.29-11.01 开放时间:09:00-18:00 地点: 广东现代国际展览中心 展位号:3A-08

    深入了解
  • 玉环国际机床展览会

    展会及展位信息: 时间:2025.10.17-10.20 开放时间:09:00-18:00 地点: 浙江省台州市玉环市玉环会展中心 展位号:W2-T26

    深入了解
  • 武汉国际机床展-中国国际机电产品博览会WME

    展会及展位信息: 时间:2025年10月11日-13日 开放时间:09:00-18:00 地点:武汉国际博览中心 展位号:B1-1306 & B1-1004

    深入了解