其他卡盘

产品展示

其他卡盘

FKT 强力型四爪可调式钢壳夹头

FKT 4-JAW POWERFUL TYPE ADJUSTMENT STEEL BODY CHUCKS

点击产品图片放大

资料下载

在线询盘

产品详细介绍

2025新澳原料资料大全

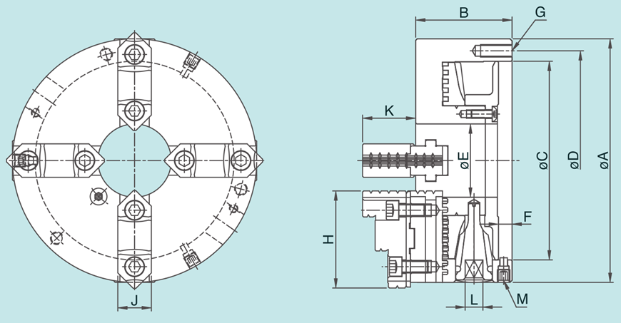
规格 / Specification  单位/UNIT:mm

型式/规格
MODEL/SPEC
最高转速
Max. RPM
外径夹持范围
O.D.Clamping Range
mm
内径夹持范围
I.D.Clamping Range
mm
净重
Weight
kg
FKT-07 3500 Ø8-Ø180 Ø62170 14.1
FKT-09 2900 Ø11-Ø220 Ø70210 22
FKT-10 2500 Ø12-Ø260 Ø80250 33.5
FKT-12 2200 Ø15-Ø300 Ø90290 46.1


型式/规格
MODEL/SPEC
A B C D E F G H J K L M
FKT-07 193 85 155 172 58 12 3-M10×1.5P 82 28 43 11 4-M10×1.5P
FKT-09 233 92 190 210 70 12.5 3-M12×1.75P 93 32 51 12 4-M10×1.5P
FKT-10 275 98 230 250 89 12.5 3-M12×1.75P 102 35 54 12 4-M10×1.5P
FKT-12 310 111 260 285 105 14 3-M12×1.75P 118 40 58 14 4-M12×1.75P
保留技术更改的权利,恕不另行通知 Subject to technology changes without prior information
非标需求可定做 Non-standard requirements can be made

最新新闻

  • 东莞国际机床展览会

    展会及展位信息: 时间:2025.10.29-11.01 开放时间:09:00-18:00 地点: 广东现代国际展览中心 展位号:3A-08

    深入了解
  • 玉环国际机床展览会

    展会及展位信息: 时间:2025.10.17-10.20 开放时间:09:00-18:00 地点: 浙江省台州市玉环市玉环会展中心 展位号:W2-T26

    深入了解
  • 武汉国际机床展-中国国际机电产品博览会WME

    展会及展位信息: 时间:2025年10月11日-13日 开放时间:09:00-18:00 地点:武汉国际博览中心 展位号:B1-1306 & B1-1004

    深入了解