其他卡盘

产品展示

其他卡盘

6DAKT 可调式强力型六爪钢壳夹头

DIN6350 6DAKT 6-JAW ADJUSTMENT STEEL SCROLL CHUCKS

点击产品图片放大

资料下载

在线询盘

产品详细介绍

2025新澳原料资料大全

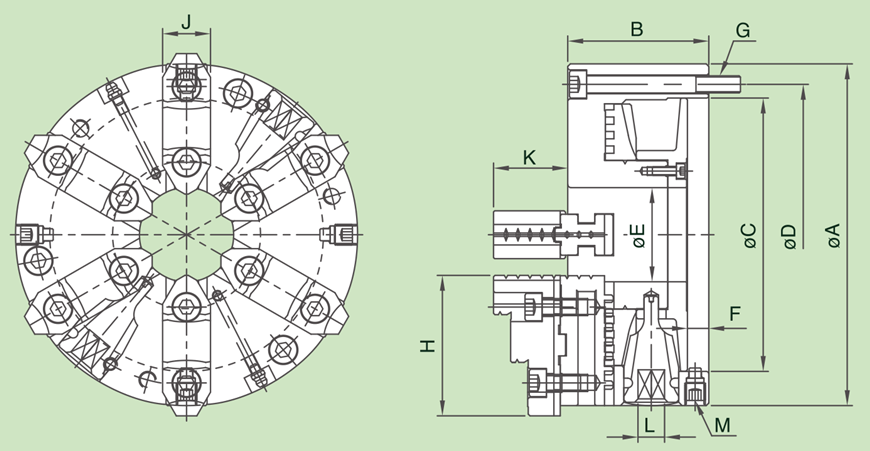
规格 / Specification   单位/UNIT:mm

型式/规格
MODEL/SPEC
最高转速
Max. RPM
外径夹持范围
O.D.Clamping Range
mm
内径夹持范围
I.D.Clamping Range
mm
6DAKT-08 2900 Ø17-Ø193 Ø67-Ø178
6DAKT-10 2200 Ø19-Ø248 Ø84-Ø232
6DAKT-12 1800 Ø23-Ø323 Ø93-Ø296
6DAKT-15 1300 Ø30-Ø419 Ø124-Ø396


型式/规格
MODEL/SPEC
A B C D E G F H J K M
6DAKT-08 200 82.5 160 176 55 3-M10×1.5P 12 82 28 43 11
6DAKT-10 250 91 200 224 76 3-M12×1.75P 13 102 35 54.5 12
6DAKT-12 315 103 260 286 103 3-M16×2P 14 118 40 56.5 14
6DAKT-15 400 122 330 362 136 3-M16×2P 15 150 50 74.5 17

保留技术更改的权利,恕不另行通知 Subject to technology changes without prior information
非标需求可定做 Non-standard requirements can be made

最新新闻

  • 东莞国际机床展览会

    展会及展位信息: 时间:2025.10.29-11.01 开放时间:09:00-18:00 地点: 广东现代国际展览中心 展位号:3A-08

    深入了解
  • 玉环国际机床展览会

    展会及展位信息: 时间:2025.10.17-10.20 开放时间:09:00-18:00 地点: 浙江省台州市玉环市玉环会展中心 展位号:W2-T26

    深入了解
  • 武汉国际机床展-中国国际机电产品博览会WME

    展会及展位信息: 时间:2025年10月11日-13日 开放时间:09:00-18:00 地点:武汉国际博览中心 展位号:B1-1306 & B1-1004

    深入了解