超大通孔径气动夹头,内藏气压缸,适合管材加工。
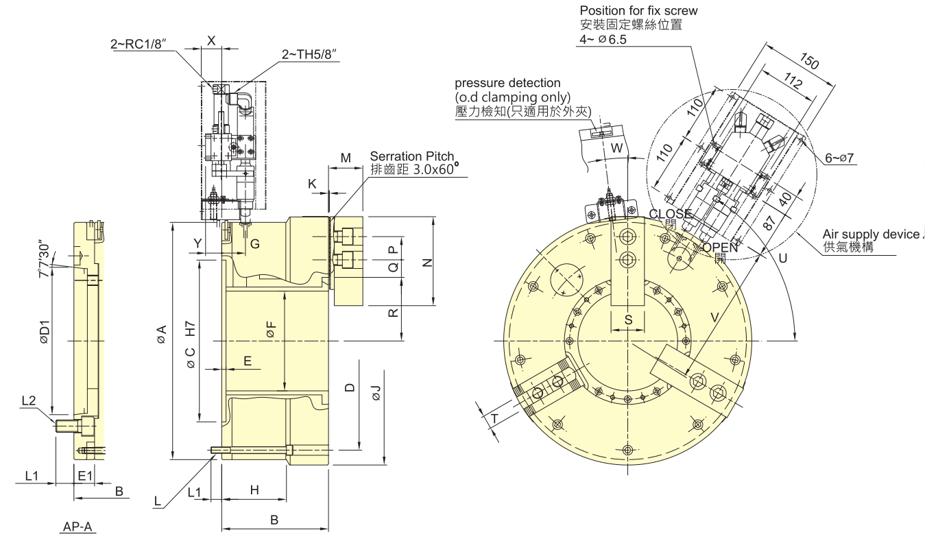
夹头内建有”压力检知”机构,能检知夹头内部压力遽降,确保操作安全。
专利注气系统,安装快速容易,无传统注气密封环损坏问题,可节省安装及维修成本。
Large through-hole 3-jaw power chuck with build in air cylinder.
With build-in “pressure detection” device in chuck which can check the pressure is lowered rapidly within the chuck, guarantee to the security of operating.
Patented air supply system, it is easy to install and maintain. No abrasion issue of traditional sealed ring. Maintenance cost and time can be saved.
尺寸单位/Size unit: mm
|
型号 Model |
通孔径
Thru-hole Dia. |
爪行程
Jaw strok (Dia.) |
夹持直径最大 Chucking Dia. Max. (mm). |
夹持直径最小 Chucking Dia. Min. (mm) |
最大使用压力
Max. pressure |
|---|---|---|---|---|---|
|
AP-145A11 |
145 |
14 |
420 |
62 |
0.6(6.1) |
|
AP-185A15 |
185 |
14 |
460 |
100 |
0.6(6.1) |
|
AP-230A15 |
230 |
17 |
535 |
170 |
0.6(6.1) |
|
AP-275A20 |
275 |
17 |
580 |
200 |
0.6(6.1) |
|
AP-320A20 |
320 |
17 |
658 |
200 |
0.6(6.1) |
|
AP-375A20 |
375 |
24 |
738 |
260 |
0.6(6.1) |
|
型号 Model |
最大夹持力 Max. clamping force kN (kgf) |
最高转速 Max. speed min-1(r.p.m.) |
I
kg‧m2
|
重量 Weight (kg) |
重 量 Weight (kg) |
空气消耗量
Air Consumption |
|---|---|---|---|---|---|---|
|
AP-145A11 |
85.0(8667) |
1700 |
3.8 |
156 |
182 |
17.8 |
|
AP-185A15 |
110.0(11216) |
1300 |
6.0 |
188 |
223 |
22 |
|
AP-230A15 |
125.0(12742) |
1300 |
11.1 |
265 |
310 |
34 |
|
AP-275A20 |
140.0(14271) |
1100 |
15.5 |
301 |
346 |
39 |
|
AP-320A20 |
184.0(18762) |
1000 |
27.2 |
415 |
505 |
45 |
|
AP-375A20 |
188.0(19115) |
850 |
44.2 |
530 |
545 |
55 |
|
型号Model |
A |
B |
C |
D |
D1 |
E |
E1 |
F |
G |
H |
J |
K |
L |
L1 |
L1 |
|---|---|---|---|---|---|---|---|---|---|---|---|---|---|---|---|
|
AP-145A11 |
400 |
198/231 |
300 |
365 |
196.87 |
8 |
33 |
145 |
34 |
120 |
420 |
3.5 |
9~M12 |
20 |
31 |
|
AP-185A15 |
460 |
198/238 |
300 |
405 |
285.78 |
8 |
40 |
185 |
44 |
120 |
460 |
3.5 |
9~M12 |
20 |
35 |
|
AP-230A15 |
515 |
226/266 |
380 |
483 |
285.78 |
8 |
40 |
230 |
49 |
145 |
535 |
3.5 |
6~M16 |
24 |
35 |
|
AP-275A20 |
560 |
232/272 |
380 |
528 |
412.78 |
8 |
40 |
275 |
52 |
152 |
580 |
3.5 |
6~M16 |
24 |
35 |
|
AP-320A20 |
615 |
256/306 |
520 |
580 |
412.78 |
8 |
50 |
320 |
55 |
116.5 |
658 |
3.5 |
9~M16 |
25 |
33 |
|
AP-375A20 |
690 |
272/322 |
520 |
650 |
412.78 |
8 |
50 |
375 |
55 |
127 |
738 |
3.5 |
9~M16 |
28 |
33 |
|
型号Model |
L2 |
M |
N |
P |
Q max. |
Q min. |
R max. |
R min. |
S |
T |
U |
V |
W |
X |
Y |
|---|---|---|---|---|---|---|---|---|---|---|---|---|---|---|---|
|
AP-145A11 |
6~M20 |
63.7 |
165 |
43 |
53.5 |
23.5 |
98 |
91 |
62 |
25.5 |
57° |
242 |
0° |
38 |
20 |
|
AP-185A15 |
6~M24 |
63.7 |
165 |
43 |
53.5 |
23.5 |
118 |
111 |
62 |
25.5 |
58° |
272 |
7° |
38 |
20 |
|
AP-230A15 |
6~M24 |
71.7 |
180 |
60 |
48.5 |
18.5 |
145 |
136.5 |
64 |
25.5 |
30° |
300 |
7° |
33 |
15 |
|
AP-275A20 |
6~M24 |
71.7 |
180 |
60 |
48.5 |
18.5 |
167.5 |
159 |
64 |
25.5 |
30° |
322 |
7° |
30 |
12 |
|
AP-320A20 |
6~M24 |
81.5 |
210 |
60 |
60.5 |
24.5 |
190 |
181.5 |
74 |
30 |
52° |
350 |
7° |
27 |
9 |
|
AP-375A20 |
6~M24 |
81.5 |
210 |
60 |
66.5 |
24.5 |
223.5 |
211.5 |
74 |
30 |
52° |
387 |
7° |
27 |
9 |
保留技术更改的权利,恕不另行通知 Subject to technology changes without prior information
非标需求可定做 Non-standard requirements can be made
上一条:AP 大孔径中空气动夹头(一)