OTHER CHUCKS

OTHER CHUCKS

PL PULL BACK POWER CHUCKS

PULL BACK POWER CHUCKS

Click on product image magnification

Download

Online inquiry

Products in detail

Brand:NTH

Pull back feature of radial gripping will lead to almost no work piece uplifting displacement;OMATEI Pull Back Power Chucka are ideal for maching casting and forging parts;

By appressing the gripped work piece to the surfce,OMATEI Pull Back Power Chucks are suitable for heavy machining.

Chuck Actuators with cylindrical structure are durable and ensures high gripping repeatability.

Accurate self-centering and pull back features are adequate for precise length control machining requirements.

Optional components can be selecter for detecting the right position on automated loading machine.

2025新澳原料资料大全


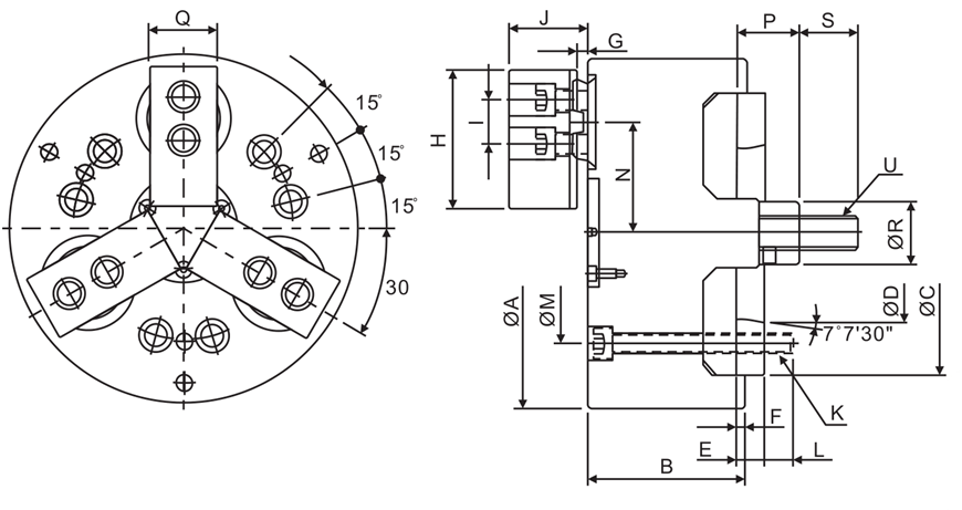
Size unit: mm

Spec/ Model Plunger stroke
mm
Jaw stroke Dia.
mm
Max RPM Max.pull force
kgf(KN)
Max gripping force
KN
PL-06 10 5.3 3500 1420(14) 2950(29)
PL-08 10 5.3 3000 2240(22) 4890(48)
PL-10 16 11.6 2500 3160(31) 4990(49)
PL-12 16 11.6 2000 4480(44) 7240(71)


Spec/ Model Max.Oil pressure
kgf/cm2(Mpa)
Weight
Kg
Matching cylinder Gripping range
mm
PL-06 22(2.2) 15.4 S-100(S-100R) Ø35-Ø160
PL-08 22(2.2) 27.8 S-125(S-125R) Ø40-Ø210
PL-10 30(2.9) 45.9 S-125(S-125R) Ø50-Ø254
PL-12 30(2.9) 75.7 S-150(S-150R) Ø50-Ø304


 Spec/Model A B C D E F Gmax Gmin H Jmax Jmin
PL-06 169 83 140 82.563 15 5 15 5 70 46 36
PL-08 210 97 170 106.375 17 5 16.5 6.5 84 57 47
PL-10 254 110 220 139.719 18 5 22 6 100 68 52
PL-12 304 125 220 139.719 18 5 21.5 5.5 120 72.5 56.5


 Spec/Model I K L M Nmax Nmin Pmax Pmin Q R S U
PL-06 - 6-M10×1.5P 14 104.8 56.65 54 33 23 35 32 36 M16×2P
PL-08 26 6-M12×1.75P 17 133.4 69.65 67 38 28 40 38 36 M20×2.5P
PL-10 32 6-M16×2P 24 171.4 87.8 82 48 32 50 50 46 M24×3P
PL-12 36 6-M16×2P 20 171.4 102.8 97 47 31 60 52 50 M27×3P
 Subject to technology changes without prior information
 Non-standard requirements can be made

News

  • MANUFACTURING INDONESIA 2025

    Exhibition:MANUFACTURING INDONESIA 2025 Date:03. - 06. December 2025 Time:10:00 am. – 06:00 pm. Add: Balai Sidang Jakarta Convention Center,Jakarta,Indonesia Booth:A-150

    Learn more
  • METALEX 2025

    Exhibition:METALEX 2025 Date:From 19 to 22 November, 2025 Time:10:00 am. – 06:00 pm. Add: BITEC International Trade & Exhibition Centre,Bangkok, Thailand Booth:H101-BD01

    Learn more
  • MSV 2025

    Exhibition:MSV 2025 International Engineering Fair Date: Tuesday, October 7, 2025 - Friday, October 10, 2025 Add: Brno Exhibition Centre, Brno, Czech Republic Booth:P-115

    Learn more