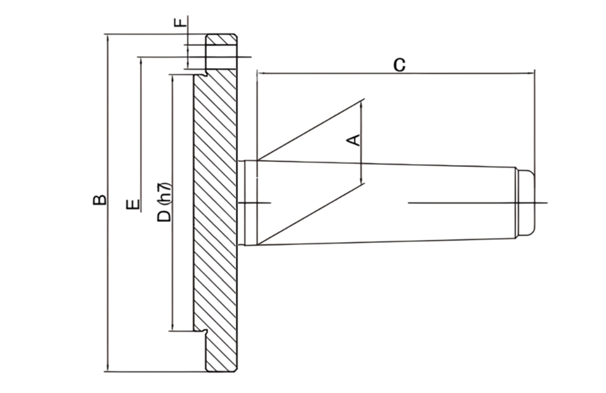
该产品主要用于校正或加工中支撑工件,配合标準卡盘使用。
1.前端( B,D,E,F)等尺寸采用标准三爪自定心卡盘连接尺寸,亦可根据客户需求定制。
2.主体和锥柄均采用优质碳钢,整体淬火,具备良好的使用性能。
This product is mainly used to calibrate or support workpiece during processing, lt is used with standard chucks.
1.The connecting size for stangard 3-jaw self-centering chuck is used for the size of B,D,E,F and so ontcan be customized according to the cient's demand.
2.The main body and the taper shank adopt quality carbon steel ,with whole quenched,t is thus has good performance.

|
型式/外表尺寸 Model/Spec |
A | B | C | D | E | F |
精度(mm) Accuracy |
|---|---|---|---|---|---|---|---|
| DCC-MT3 | 23.825 | 112 | 81 | 80 | 95 | 3-M8 | 0.005 |
|
DCC-MT4 |
31.267 | 132 | 102.5 | 100 | 115 | 3-M8 | 0.01 |
| DCC-MT5 |
44.399 |
167 | 129.5 | 130 | 147 | 3-M10 | 0.01 |
| DCC-MT6 | 63.348 | 193 | 182 | 155 | 172 | 3-M10 | 0.01 |
标准配备SK系列手动卡盘,回转座可定制安装四爪单动卡盘。
下一条:GY精密级固定顶针
上一条:LCC莫氏柄卡盘回转座