品牌:OMATEI
选型指导:
1,所用卡盘的品牌及型号
2,工件尺寸及需要夹持的高度
产品优势:
1,标准硬爪材质为优质合金钢,强度好。
2,精密齿距紧密贴合卡盘基爪,降低磨损。
3,可用于NTH及所有其他品牌相关型号的卡盘。
4,客制化非标卡爪可设计、定做、OEM代工。
Brand:OMATEI
Selection Guidance
1, Chuck brand and model name
2, Workpiece size and the gripping height
Advantage
1, For standard hard jaws, it's made of high quality alloy steel.
2, Fine serration pitch can tight fit with chuck master jaws, lower abrasion.
3, Applicable onto the related chuck models of SMW/Kitagawa/Soul/Howa/Samchully/Auto-strong/Tonfou/Chandox/Autogrip/NTH and so on well-known brand.
4, Customized and non-standard jaws and be designed and OEM.

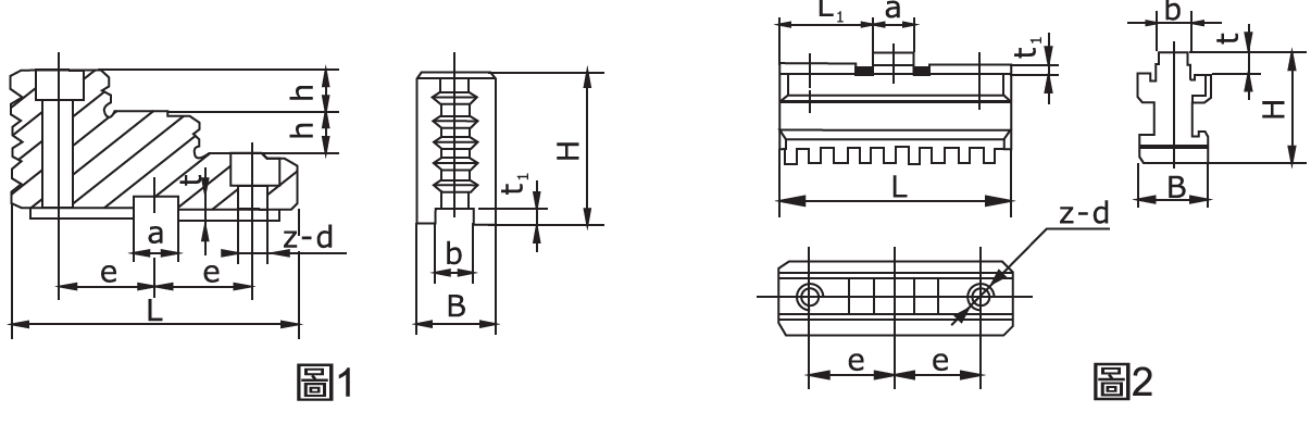
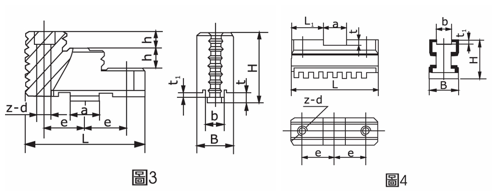
C型分离爪Two-Piece Jaws for Form C
|
规格 Size |
L |
B |
H |
h |
a |
b |
e |
t |
t1 |
z-d |
参考图 Ref. |
|---|---|---|---|---|---|---|---|---|---|---|---|
|
200 |
88 |
22 |
44 |
12 |
13 |
11 |
28 |
7 |
3 |
2-9 |
图1 Fig1 |
|
240 |
108 |
27 |
46 |
12 |
13 |
13 |
35 |
7 |
3 |
2-11 |
图1 Fig1 |
|
250 |
108 |
27 |
46 |
12 |
13 |
13 |
35 |
7 |
3 |
2-11 |
图1 Fig1 |
|
规格 Size |
L |
B |
H |
h |
a |
b |
e |
t |
t1 |
z-d |
参考图 Ref. |
|---|---|---|---|---|---|---|---|---|---|---|---|
|
200 |
76 |
31.5 |
22 |
36 |
13 |
11 |
28 |
6 |
2 |
2-M8 |
图2 Fig2 |
|
240 |
95 |
41 |
27 |
39 |
13 |
13 |
35 |
6 |
2 |
2-M10 |
图2 Fig2 |
|
250 |
95 |
41 |
27 |
39 |
13 |
13 |
35 |
6 |
2 |
2-M10 |
图2 Fig2 |
|
规格 Size |
L |
B |
H |
h |
a |
b |
e |
t |
t1 |
z-d |
参考图 Ref. |
|---|---|---|---|---|---|---|---|---|---|---|---|
|
320 |
127 |
36 |
59.5 |
17 |
28 |
15 |
44 |
7.5 |
2.8 |
2-13 |
图3 Fig3 |
|
325 |
127 |
36 |
59.5 |
17 |
28 |
15 |
44 |
7.5 |
2.8 |
2-13 |
图3 Fig3 |
|
380 |
127 |
36 |
59.5 |
17 |
28 |
15 |
44 |
7.5 |
2.8 |
2-13 |
图3 Fig3 |
|
规格 Size |
L |
B |
H |
h |
a |
b |
e |
t |
t1 |
z-d |
参考图 Ref. |
|---|---|---|---|---|---|---|---|---|---|---|---|
|
320 |
114 |
43 |
36 |
40 |
28 |
15 |
44 |
8.5 |
3.5 |
2-M12 |
图4 Fig4 |
|
325 |
114 |
43 |
36 |
40 |
28 |
15 |
44 |
8.5 |
3.5 |
2-M12 |
图4 Fig4 |
|
380 |
114 |
43 |
36 |
40 |
28 |
15 |
44 |
8.5 |
3.5 |
2-M12 |
图4 Fig4 |
保留技术更改的权利:Subject to technical changes
上一条:K52卡盘软爪