软爪/硬爪/扇形爪

产品展示

软爪/硬爪/扇形爪

RZ软卡爪

SOFT TOP JAWS FOR SCROLL CHUCK

点击产品图片放大

资料下载

在线询盘

产品详细介绍

品牌:OMATEI

选型指导:
1,所用卡盘的品牌及型号
2,工件尺寸及需要夹持的高度
产品优势:
1,标准软爪材质为优质45#钢,强度好,可硬化。
2,精密齿距紧密贴合卡盘基爪,降低磨损。
3,可用于NTH及所有其他品牌相关型号的卡盘。
4,客制化非标卡爪可设计、定做、OEM代工。

Brand:OMATEI
Selection Guidance
1, Chuck brand and model name
2, Workpiece size and the gripping height
Advantage
1, For standard soft jaws, the material is high quality 45# steel, stronger and hardenable.
2, Fine serration pitch can tight fit with chuck master jaws, lower abrasion.
3, Applicable onto the related chuck models of SMW/Kitagawa/Soul/Howa/Samchully/Auto-strong/Tonfou/Chandox/Autogrip/NTH and so on well-known brand.
4, Customized and non-standard jaws and be designed and OEM.

产品描述/Description

K11、K10、K12系列卡盘可按用户要求提供各种软卡爪。

软卡爪包括:整体软爪和分离软爪(C型、A型)。

All kinds of soft jaws can be provided as the request of customers for K11,K10,K12 series chucks.

Soft jaws include one-piece soft jaws and two-piece soft jaws(form C,A).

2025新澳原料资料大全

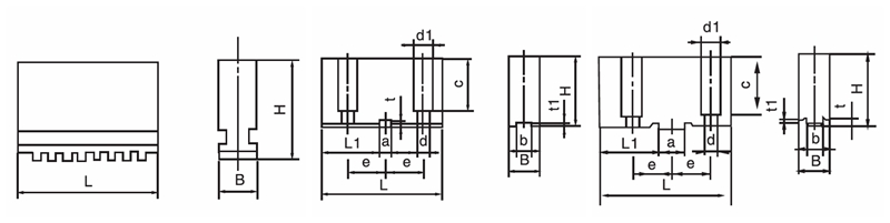
                       整体软爪 One-piece soft jaws                                    软顶爪(C型) Soft top jaws(Type C)                             软顶爪(A型) Soft top jaws(Type A)

整体软爪One-piece soft jaws

型号

Model

RZ

1180

RZ

11100

RZ

11125

RZ

11130

RZ

11160

RZ

11165

RZ

11190

RZ

11200

RZ

11240

RZ

11250

RZ

11315

RZ

11320

RZ

11325

RZ

11380

L 32 42 56 56 70 70 72 85 105 105 130 130
B 12 15 16 16 18.5 18.5 22 22 27 27 36 36
H 32 38 45 45 54 54 57 61 69 69 91 91

软顶爪(C型)Soft top jaws(Type C)

型号

Model

L L1 B H a b e t t1 c d d1
RZ11200C 93 46 25 50 13 11 28 7 3 39 9 15
RZ11240C 113 58 27 58 13 13 35 7 3 48 11 17
RZ11250C 113 58 27 58 13 13 35 7 3 48 11 17
软顶爪(A型)Soft top jaws(Type A)

型号

Model

L L1 B H a b e t t1 c d d1
RZ11320C 137 64 36 75 28 15 44 7.5 2.8 60.5 13 20
RZ11325C 137 64 36 75 28 15 44 7.5 2.8 60.5 13 20
RZ11380C 137 64 36 75 28 15 44 7.5 2.8 60.5 13 20

保留技术更改的权利:Subject to technical changes

最新新闻

  • 东莞国际机床展览会

    展会及展位信息: 时间:2025.10.29-11.01 开放时间:09:00-18:00 地点: 广东现代国际展览中心 展位号:3A-08

    深入了解
  • 玉环国际机床展览会

    展会及展位信息: 时间:2025.10.17-10.20 开放时间:09:00-18:00 地点: 浙江省台州市玉环市玉环会展中心 展位号:W2-T26

    深入了解
  • 武汉国际机床展-中国国际机电产品博览会WME

    展会及展位信息: 时间:2025年10月11日-13日 开放时间:09:00-18:00 地点:武汉国际博览中心 展位号:B1-1306 & B1-1004

    深入了解