品牌:OMATEI
选型指导:
1,所用卡盘的品牌及型号
2,工件尺寸及需要夹持的高度
产品优势:
1,标准软爪材质为优质45#钢,强度好,可硬化。
2,精密齿距紧密贴合卡盘基爪,降低磨损。
3,可用于NTH及所有其他品牌相关型号的卡盘。
4,客制化非标卡爪可设计、定做、OEM代工。
Brand:OMATEI
Selection Guidance
1, Chuck brand and model name
2, Workpiece size and the gripping height
Advantage
1, For standard soft jaws, the material is high quality 45# steel, stronger and hardenable.
2, Fine serration pitch can tight fit with chuck master jaws, lower abrasion.
3, Applicable onto the related chuck models of SMW/Kitagawa/Soul/Howa/Samchully/Auto-strong/Tonfou/Chandox/Autogrip/NTH and so on well-known brand.
4, Customized and non-standard jaws and be designed and OEM.
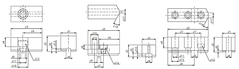
C1型 C1 TYPE C2型 C2 TYPE C3型 C3 TYPE
|
Chuck
number 1
|
Chuck
number 2
|
Chuck
number 3
|
Chuck
number 4
|
Chuck
number 5
|
Size | J1 | J2 | J3 | J4 | J5 | J6 | J7 | J8 | J9 | J10 | J11 | J12 | J13 | J17 | J18 |
质量Kg(1个) Weight |
爪形式 Jaw type |
|---|---|---|---|---|---|---|---|---|---|---|---|---|---|---|---|---|---|---|---|---|---|---|
| H011MC | 4 | 25 | 22 | 50 | 13 | 5.5 | 28 | 8 | 8 | 17.5 | 11 | M10 | 2.5 | 0.2 | C1 | |||||||
| H011MC | 5 | 30 | 27 | 56 | 15 | 5.5 | 33 | 8 | 8 | 20 | 13.5 | M12 | 2.5 | 0.3 | C1 | |||||||
| H011MC | H014M | 6 | 35 | 34 | 70 | 21 | 6 | 43 | 10 | 10 | 23 | 15.5 | M14 | 3 | 0.5 | C1 | ||||||
| H021MB | 6 | 35 | 33.5 | 70 | 18 | 7 | 47 | 20 | 14 | 8 | 17.5 | 11 | M10 | 3.5 | 8 | 30° | 0.5 | C2 | ||||
| H011MC | H013M | (H055M) | 6 | 35 | 33.5 | 70 | 18 | 7 | 47 | 20 | 14 | 8 | 17.5 | 11 | M10 | 3.5 | 2 | (45°) | 0.5 | C2 | ||
| H011MC | H013M | H014M | H021MB | (H055M) | 8 | 40 | 44.5 | 84 | 29 | 7 | 53 | 26 | 16 | 12 | 20 | 13.5 | M12 | 3.5 | 2 | (45°) | 1 | C2 |
| H011MC | H013M | H014M | H021MB | (H055M) | 10 | 50 | 49.5 | 100 | 32 | 7 | 62 | 32 | 18 | 15 | 23 | 15.5 | M14 | 3.5 | 2 | (45°) | 1.6 | C2 |
| H013M | H021MB | (H055M) | 12 | 60 | 54.5 | 120 | 36 | 7 | 78 | 36 | 20 | 17 | 26 | 17.5 | M16 | 3.5 | 2 | (60°) | 2.4 | C2 | ||
| H018M | 8 | 32 | 36 | 100 | 26 | 3.5 | 66 | 32 | 14 | 16 | 17.5 | 11 | M10 | 12 | 30° | 0.8 | C3 | |||||
| H018M | 10 | 35 | 43 | 110 | 33 | 3.5 | 72 | 34 | 16 | 16 | 20 | 13.5 | M12 | 12 | 30° | 1.1 | C3 | |||||
| H018M | 12 | 40 | 50 | 130 | 40 | 3.5 | 85 | 40 | 16 | 20 | 20 | 13.5 | M12 | 12 | 30° | 1.9 | C3 | |||||
| H018M | 15 | 40 | 50 | 160 | 40 | 3.5 | 107.5 | 55 | 16 | 25 | 20 | 13.5 | M12 | 12 | 30° | 2.3 | C3 |
下一条:日系卡盘硬爪系列
上一条:日系卡盘软爪系列2(S1型)