软爪/硬爪/扇形爪

产品展示

软爪/硬爪/扇形爪

后拉式夹头专用生爪

SOFR JAWS FOR PULL BACK POWER CHUCKS

点击产品图片放大

资料下载

在线询盘

产品详细介绍

品牌:OMATEI
选型指导:
1,所用卡盘的品牌及型号
2,工件尺寸及需要夹持的高度
产品优势:
1,标准软爪材质为优质45#钢,强度好,可硬化。
2,精密齿距紧密贴合卡盘基爪,降低磨损。
3,可用于NTH及所有其他品牌相关型号的卡盘。
4,客制化非标卡爪可设计、定做、OEM代工。

Brand:OMATEI
Selection Guidance
1, Chuck brand and model name
2, Workpiece size and the gripping height
Advantage
1, For standard soft jaws, the material is high quality 45# steel, stronger and hardenable.
2, Fine serration pitch can tight fit with chuck master jaws, lower abrasion.
3, Applicable onto the related chuck models of SMW/Kitagawa/Soul/Howa/Samchully/Auto-strong/Tonfou/Chandox/Autogrip/NTH and so on well-known brand.
4, Customized and non-standard jaws and be designed and OEM.

2025新澳原料资料大全

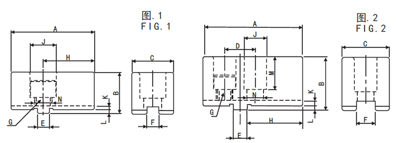
尺寸表/Size table     单位/UNIT:mm

型式/规格

MODEL/SPEC

A B C D E F G H J K L M N

参考图

Reference drawing

S-04 52 19.5 25 8 8 M10*1.5P 30 17.5 2.5 2.5 13 11 图1 fig.1
S-05 56 27 30 8 8 M12 33 20 2.5 2.5 15 11 图2 fig.2
S-06 70 34 35 10 10 M14*2P 43 23 3 3 21 15.5 图2 fig.2
S-08 84 44.5 40 26 12 16 M12*1.75P 53 20 3.5 3.5 29 13.5 图2 fig.2
S-10 100 49.5 50 32 15 18 M14*2P 62 23 3.5 3.5 32 15.5 图1 fig.1
S-12 120 54.5 60 36 17 20 M16*2P 78 26 3.5 3.5 36 17.5 图1 fig.1
S-15 165 60 70 40 20 24 M17*2P 105 26 5 5 40 18
保留技术更改的权利:Subject to technical changes

下一条:加宽软爪

上一条:超精密卡盘生爪

最新新闻

  • 东莞国际机床展览会

    展会及展位信息: 时间:2025.10.29-11.01 开放时间:09:00-18:00 地点: 广东现代国际展览中心 展位号:3A-08

    深入了解
  • 玉环国际机床展览会

    展会及展位信息: 时间:2025.10.17-10.20 开放时间:09:00-18:00 地点: 浙江省台州市玉环市玉环会展中心 展位号:W2-T26

    深入了解
  • 武汉国际机床展-中国国际机电产品博览会WME

    展会及展位信息: 时间:2025年10月11日-13日 开放时间:09:00-18:00 地点:武汉国际博览中心 展位号:B1-1306 & B1-1004

    深入了解