软爪/硬爪/扇形爪

产品展示

软爪/硬爪/扇形爪

日系卡盘软爪系列2

SOFT JAWS FOR HOWA CHUCK SERIES 2

点击产品图片放大

资料下载

在线询盘

产品详细介绍

品牌:OMATEI
选型指导:
1,所用卡盘的品牌及型号
2,工件尺寸及需要夹持的高度
产品优势:
1,标准软爪材质为优质45#钢,强度好,可硬化。
2,精密齿距紧密贴合卡盘基爪,降低磨损。
3,可用于NTH及所有其他品牌相关型号的卡盘。
4,客制化非标卡爪可设计、定做、OEM代工。

Brand:OMATEI
Selection Guidance
1, Chuck brand and model name
2, Workpiece size and the gripping height
Advantage
1, For standard soft jaws, the material is high quality 45# steel, stronger and hardenable.
2, Fine serration pitch can tight fit with chuck master jaws, lower abrasion.
3, Applicable onto the related chuck models of SMW/Kitagawa/Soul/Howa/Samchully/Auto-strong/Tonfou/Chandox/Autogrip/NTH and so on well-known brand.

4, Customized and non-standard jaws and be designed and OEM.


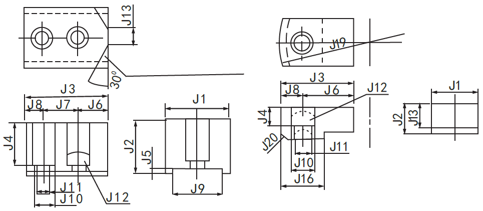
H063M/H064M/H3EF形/Type


2025新澳原料资料大全

Chuck
number
Size J1 J2 J3 J4 J5 J6 J7 J8 J9 J10 J11 J12 J13 J16 J19 J20
质量KG
Weight
H063M H064M 6 50 44 68 35 4 23.64 29.36 15 38.1 17.5 11 M10 14 1
H063M H064M 8 55 54 83 43.5 4 33.87 34.13 15 44.4 20 13.5 M12 18 1.6
H063M H064M 10 70 64 100 52.5 4 36.55 44.45 19 57.1 26 17.5 M16 40 2.9
H063M H064M 12 70 64 110 52.5 4 46.55 44.45 19 57.1 26 17.5 M16 70 3.2
H3EF 6 32 22 47 12 32 15 17.5 11 M10 17 30 118 C5 0.2
H3EF 8 40 27 60 16 42 18 20 13.5 M12 22 35 150 C5 0.4
保留技术更改的权利:Subject to technical changes


最新新闻

  • 东莞国际机床展览会

    展会及展位信息: 时间:2025.10.29-11.01 开放时间:09:00-18:00 地点: 广东现代国际展览中心 展位号:3A-08

    深入了解
  • 玉环国际机床展览会

    展会及展位信息: 时间:2025.10.17-10.20 开放时间:09:00-18:00 地点: 浙江省台州市玉环市玉环会展中心 展位号:W2-T26

    深入了解
  • 武汉国际机床展-中国国际机电产品博览会WME

    展会及展位信息: 时间:2025年10月11日-13日 开放时间:09:00-18:00 地点:武汉国际博览中心 展位号:B1-1306 & B1-1004

    深入了解