品牌/Brand:NTH
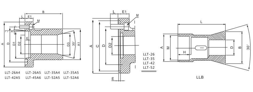
后拉式筒夹夹头,适用于各种旋削机械及数控车床。
安装方便,与中空夹头相同,可相容互换。
可使棒料从夹头的通孔进行送料作业。
不同尺寸及形状的工件,可选用合适的弹簧夹头。
Pull back collet chuck
Its applicable for various CNC machines.
Easy installation, the installation size is compatible with the related hydraulic chucks.
The bar workpiece can be input through the collet chuck hole.
The collet is optional for different size and shape workpiece.
| 型号 Model | A | A1 | B | C(H6) | D | D1 | D2 | D3 | E | E1 | L | M |
|---|---|---|---|---|---|---|---|---|---|---|---|---|
| LLT-26 | 120 | 120 | 110 | 110 | 82.6 | 40 | 48 | 4 | 25 | 17 | 3-M10*25 | |
| LLT-35 | 120 | 83 | 110 | 110 | 82.6 | 49 | 58 | 4 | 25 | 18 | 3-M10*25 | |
| LLT-42 | 155 | 90 | 115 | 140 | 104.8 | 56 | 65 | 5 | 25 | 19 | 4-M10*25 | |
| LLT-52 | 155 | 106 | 125 | 140 | 104.8 | 65 | 73 | 5 | 25 | 20 | 4*M10*25 | |
| LLT-26A4 | 112 | 73 | 110 | 82.6 | 63.51 | 40 | 48 | 17 | 25 | 21 | 3-M10*30 | |
| LLT-26A5 | 135 | 73 | 110 | 82.6 | 82.56 | 40 | 48 | 17 | 25 | 22 | 3-M10*30 | |
| LLT-35A4 | 112 | 83 | 110 | 82.6 | 63.51 | 49 | 58 | 17 | 25 | 23 | 3-M10*30 | |
| LLT-35A5 | 135 | 83 | 110 | 82.6 | 82.56 | 49 | 58 | 17 | 25 | 24 | 3-M10*30 | |
| LLT-42A5 | 135 | 90 | 115 | 104.8 | 82.56 | 56 | 65 | 17 | 25 | 25 | 4-M10*30 | |
| LLT-42A6 | 165 | 90 | 115 | 133.4 | 106.38 | 56 | 65 | 17 | 30 | 26 | 4-M12*30 | |
| LLT-52A5 | 135 | 106 | 125 | 104.8 | 82.56 | 65 | 73 | 17 | 25 | 27 | 4-M10*30 | |
| LLT-52A6 | 165 | 106 | 125 | 133.4 | 106.38 | 65 | 73 | 17 | 30 | 28 | 4-M12*30 |
|
型号 Model |
夹持圆棒 |
夹持六角料 mm |
夹持方料 |
容许油压缸推力 kgf |
最大夹持力 kgf |
最高转速 RPM |
惯性矩 kg.m² |
最大使用压力 MPA |
重量 |
使用 筒夹 |
适用 油缸 |
|---|---|---|---|---|---|---|---|---|---|---|---|
|
LLT-26 |
3-26 |
4-22 |
4-18 |
1840 |
3980 |
7000 |
0.037 |
2.6 |
4.2 |
LLB-26 |
H-0928 |
|
LLT-35 |
3-35 |
6-32 |
6-26 |
2040 |
4480 |
6000 |
0.057 |
2.4 |
6.5 |
LLB-35 |
H-1246 |
|
LLT-42 |
3-42 |
6-36 |
6-29 |
2550 |
5600 |
6000 |
0.061 |
2.9 |
6.9 |
LLB-42 |
H-1246 |
|
LLT-52 |
5-52 |
8-45 |
7-36 |
2860 |
6220 |
5500 |
0.093 |
2.4 |
14.3 |
LLB-52 |
H-1552 |
|
型号 Model |
A(g6) | B |
圆棒 Round D max |
六角料 Hex D max |
方料 Square D max |
H | L | M |
|---|---|---|---|---|---|---|---|---|
| LLT-26 | 40 | 49 | 26 | 22 | 18 | 27 | 95 | M33*1.5 |
| LLT-35 | 49 | 59 | 35 | 32 | 26 | 27 | 95 | M42*1.5 |
| LLT-42 | 56 | 66 | 42 | 42 | 29 | 27 | 100 | M50*2 |
| LLT-52 | 65 | 74 | 52 | 52 | 36 | 27 | 100 | M55*2 |
保留技术更改的权利,恕不另行通知 Subject to technology changes without prior information
非标需求可定做 Non-standard requirements can be made
下一条:JPL 精密后拉式筒夹夹头
上一条:LL-A 筒夹夹头二