NTH 筒夹/膜片夹头

产品展示

NTH 筒夹/膜片夹头

JPD 被动型超精密膜片夹头(后驱动型)

JPD PASSIVE ULTRA-PRECISION DIAPHRAGM CHUCK (REAR DRIVE TYPE)

点击产品图片放大

资料下载

在线询盘

产品详细介绍

产品介绍

采用膜片弹性技术,重复精度3μ以下,永久性精密寿命,高密封性设计,防水防尘能力。

轻松控制两端同心度、平行度,多段尺寸可分次加工,降低设备成本。

以单动研磨机、取代CNC多段同时加工,需后置气油缸拉杆驱动。

产品适用性

微型轴承、马达、精密套的精密加工,精密元件检测。

适用于微电子产品、光学零件、医疗零件、轻薄高精密度工件的车、磨加工


Employing diaphragm elasticity technology, with a repeatability of below 3μ  ,Permanent servicelife in precision.Designed with high sealing performance and waterproof and dustproof capabilities

Allowing easy control over the concentricity and parallelism at both ends.Allowing separate sizeprocessing over multiple sections to reduce equipment costs.

Replacing CNC multi-section simultaneous processing with single-action grinding machine.Requiring the provision of rear pneumatic/hydraulic cylinder rod drive.
Precision machining of micro bearings, motors and precision sleeves

Suitable for turning and grinding of microelectronics products, optical parts, medical parts, thinand high-precision workpieces Detection of precision components

2025新澳原料资料大全

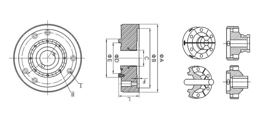
规格型号

型号

MODEL

SPEC

A

B

C

D

E

F

G

L

I


H

使用压力

Working Pressure


JPD4-60

116

72

M12*1.5

45

60

5

100

41

6-M5沉孔

6-M4 52 2-7

JPD5-70

147

125

M28*1.5

50

70

5

106.4

57.2

6-M6沉孔

6-M5 60 2-7

JPD6-100

177

155

M55*2

80

100

5

133.4 53

6-M8沉孔

8-M5 90 2-7
JPD8-150
220 190 M82*1.5 120 150 5 170 56.8 6-M8沉孔
8-M6 135 2-7



最新新闻

  • 东莞国际机床展览会

    展会及展位信息: 时间:2025.10.29-11.01 开放时间:09:00-18:00 地点: 广东现代国际展览中心 展位号:3A-08

    深入了解
  • 玉环国际机床展览会

    展会及展位信息: 时间:2025.10.17-10.20 开放时间:09:00-18:00 地点: 浙江省台州市玉环市玉环会展中心 展位号:W2-T26

    深入了解
  • 武汉国际机床展-中国国际机电产品博览会WME

    展会及展位信息: 时间:2025年10月11日-13日 开放时间:09:00-18:00 地点:武汉国际博览中心 展位号:B1-1306 & B1-1004

    深入了解