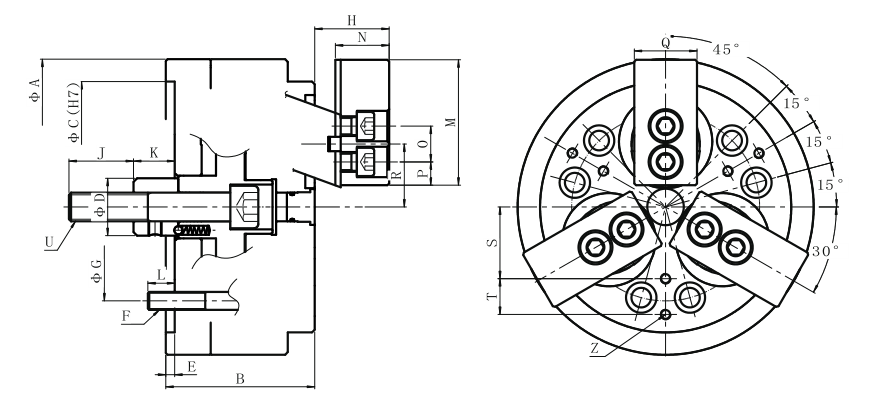
3 Jaw Expansible Pull back Power Chuck, It's suitable for internal gripping.
Radial clamping and axial pulling down at the same time, to keep the workpiece tightly close to the base surface of the chuck, to avoid workpiece from uplifting.
It's suitable for high accuracy processing.

|
Model
|
A
(mm)
|
B
(mm)
|
C(G7)
(mm)
|
D
(mm)
|
E
(mm)
|
F
(mm)
|
G
(mm)
|
H
(mm)
|
J
(mm)
|
K
(mm)
|
L
(mm)
|
|
PBE-05
|
135
|
75
|
110
|
28
|
5
|
3-M10
|
82.6
|
28-36
|
26
|
14-22
|
15
|
|
PBE-06
|
165
|
80
|
140
|
32
|
5
|
6-M10
|
104.8
|
34-42
|
36
|
23-31
|
15
|
|
PBE-08
|
210
|
95
|
170
|
38
|
5
|
6-M10
|
133.4
|
45-55
|
36
|
25-35
|
15
|
|
PBE-10
|
254
|
110
|
220
|
50
|
5
|
6-M10
|
171.4
|
50-65
|
46
|
32-47
|
22
|
|
PBE-12
|
304
|
125
|
220
|
50
|
5
|
6-M10
|
171.4
|
55-70
|
46
|
32-47
|
22
|
|
Model
|
M
(mm)
|
N
(mm)
|
O
(mm)
|
P
(mm)
|
Q
(mm)
|
R
(mm)
|
S
(mm)
|
T
(mm)
|
U
(mm)
|
Z
(mm)
|
|
PBE-05
|
56
|
24.5
|
--
|
20
|
30
|
24.6-27.5
|
25
|
--
|
M12*1.75
|
3-M6
|
|
PBE-06
|
70
|
30
|
20
|
13
|
35
|
35-37.9
|
40
|
20
|
M16*2
|
6-M6
|
|
PBE-08
|
84
|
41
|
26
|
18
|
40
|
43-46.6
|
50
|
25
|
M20*2.5
|
6-M8
|
|
PBE-10
|
100
|
46
|
32
|
22
|
50
|
28-36
|
50
|
30
|
M24*3
|
6-M8
|
|
PBE-12
|
120
|
51
|
36
|
24
|
60
|
28-36
|
70
|
40
|
M24*3
|
6-M10
|
|
Model
|
Plunger
Stroke(mm)
|
Jaw Stroke
(DIA. mm)
|
Max. Speed
(/min)
|
Max. Pull Force
(KN)
|
Max.Gripping
Force(KN)
|
Matching
Cylinder
|
Gripping
Range(mm)
|
Max.Pressure
(Mpa)
|
Weight
(kg)
|
|
PBE-05
|
8
|
5.8
|
5000
|
11.7
|
22.5
|
S-100R
|
25-110
|
2.2
|
8
|
|
PBE-06
|
8
|
5.8
|
5000
|
14.7
|
24.5
|
S-100R
|
40-140
|
3.4
|
13
|
|
PBE-08
|
10
|
7.2
|
4500
|
24.5
|
44.1
|
S-125R
|
48-180
|
3.5
|
26
|
|
PBE-10
|
15
|
10.8
|
4000
|
34.3
|
58.8
|
S-125R
|
65-220
|
3.1
|
43.5
|
|
PBE-12
|
15
|
10.8
|
3500
|
44.1
|
73.5
|
S-150R
|
80-270
|
3.1
|
68
|
Subject to technology changes without prior information
Non-standard requirements can be made