品牌/Brand:NTH
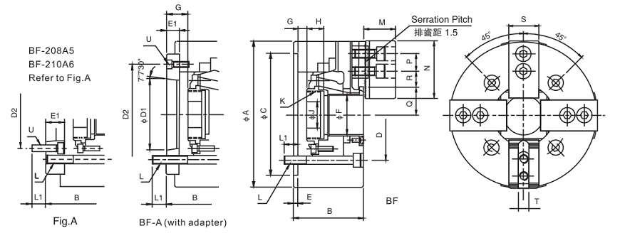
四爪楔形大通孔夹头,适用于夹持不规则工件。
夹头滑动面经硬化处理及精密研磨,并直接润滑。
高刚性、高精度及高转速。
It’s wedge hook type 4-jaw power chuck with the large through-hole. Suitable for irregular workpiece.
Matching surfaces of all parts are hardened, ground and lubricated directly
Construction of high rigidity and high clamping accuracy and high rotary speed.
尺寸单位/Size unit: mm
|
规格
Spec 型号 Model |
楔心行程 Plunger stroke mm |
爪行程直径 Jaw stroke Dia. mm |
最大夹持直径 Max chucking Dia. mm |
最小夹持直径 Min chucking Dia. mm |
容许油压缸推力 Max.D.B.Pull kgf |
|---|---|---|---|---|---|
| BF-206 A5 | 12 | 5.5 | 169 | 15 | 2700 |
| BF-208 A5 | 16 | 7.4 | 210 | 13 | 4430 |
| BF-208 A6 | 16 | 7.4 | 210 | 13 | 4430 |
| BF-210 A6 | 19 | 8.8 | 254 | 31 | 5440 |
| BF-210 A8 | 19 | 8.8 | 254 | 31 | 5440 |
| BF-212 A8 | 23 | 10.6 | 304 | 34 | 7000 |
| BF-215 A11 | 23 | 10.6 | 381 | 50 | 9000 |
| BF-218 A11 | 23 | 10.6 | 450 | 50 | 7240 |
| BF-224 A20 | 26 | 12 | 610 | 150 | 9177 |
|
规格
Spec 型号 Model |
最大夹持力 Max clamping force kgf |
最高转速 Max RPM |
惯性矩 I kg*m2 |
重量 Weight kg |
带法兰重量 Weight(Ad.) kg |
适合油压缸 Matched cylinders |
|---|---|---|---|---|---|---|
| BF-206 A5 | 7000 | 6000 | 0.06 | 11.5 | 13.3 | H-1246/HK-1246 |
| BF-208 A5 | 10900 | 5000 | 0.19 | 23.5 | 25.4 | H-1552/HK-1552 |
| BF-208 A6 | 10900 | 5000 | 0.19 | 23.5 | 24.3 | H-1552/HK-1552 |
| BF-210 A6 | 14100 | 4200 | 0.34 | 36.3 | 41 | H-1875/HK-1875 |
| BF-210 A8 | 14100 | 4200 | 0.34 | 36.3 | 39.3 | H-1875/HK-1875 |
| BF-212 A8 | 18300 | 3300 | 0.79 | 62 | 65.7 | H-2091/HK-2091 |
| BF-215 A11 | 22900 | 2500 | 2.42 | 123.7 | 130.7 | H-2511/HK-2511 |
| BF-218 A11 | 18355 | 1500 | 3.798 | 140 | 151 | H-2511/HK-2511 |
| BF-224 A20 | 23861 | 1000 | 15.2 | 284 | 299 | ML3320 |
|
规格
Spec 型号 Model |
A | B | B (Ad.) | C(H6) | D | D1 | D2 | E | E1 | F | Gmax | Gmax(Ad.) | Gmin | Gmin(Ad.) | H | J |
|---|---|---|---|---|---|---|---|---|---|---|---|---|---|---|---|---|
| BF-206 A5 | 169 | 81 | 91 | 140 | 104.8 | 82.56 | 116 | 5 | 15 | 45 | 11 | 26 | -1 | 14 | 19 | 20 |
| BF-208 A5 | 210 | 91 | 109 | 170 | 133.4 | 82.56 | 104.8 | 5 | 23 | 52 | 14.5 | 37.5 | -1.5 | 21.5 | 20.5 | 30 |
| BF-208 A6 | 210 | 91 | 103 | 170 | 133.4 | 106.38 | 150 | 5 | 17 | 52 | 14.5 | 31.5 | -1.5 | 15.5 | 20.5 | 30 |
| BF-210 A6 | 254 | 100 | 120 | 220 | 171.5 | 106.38 | 133.4 | 5 | 25 | 75 | 8.5 | 33.5 | -10.5 | 14.5 | 25 | 45 |
| BF-210 A8 | 254 | 100 | 113 | 220 | 171.5 | 139.72 | 190 | 5 | 18 | 75 | 8.5 | 26.5 | -10.5 | 7.5 | 25 | 45 |
| BF-212 A8 | 304 | 110 | 122 | 220 | 171.5 | 139.72 | 190 | 6 | 18 | 91 | 8 | 26 | -15 | 3 | 28 | 50 |
| BF-215 A11 | 381 | 133 | 149 | 300 | 235 | 196.87 | 260 | 6 | 22 | 117.5 | 11 | 33 | -12 | 10 | 39 | 60 |
| BF-218 A11 | 450 | 133 | 149 | 300 | 235 | 196.87 | 260 | 6 | 22 | 117.5 | 7 | 29 | -16 | 6 | 43 | - |
| BF-224 A20 | 610 | 134 | 155 | 520 | 463.6 | 412.78 | 463.6 | 6 | 25 | 205 | 16 | 41 | -10 | 15 | 38 | - |
|
规格
Spec 型号 Model |
K max | L | L1 | L1(Ad.) | M | N | P | Q max | Q min | R max | R min | S | T | U |
|---|---|---|---|---|---|---|---|---|---|---|---|---|---|---|
| BF-206 A5 | M55×2 | 4-M10 | 16 | 16 | 37 | 73 | 20 | 32 | 29.3 | 22.8 | 9.3 | 31 | 12 | 3-M6 |
| BF-208 A5 | M60×2 | 4-M12 | 20 | 17 | 38 | 95 | 25 | 38.7 | 35 | 29.8 | 14.8 | 35 | 14 | 6-M10 |
| BF-208 A6 | M60×2 | 4-M12 | 20 | 18 | 38 | 95 | 25 | 38.7 | 35 | 29.8 | 14.8 | 35 | 14 | 3-M6 |
| BF-210 A6 | M85×2 | 4-M16 | 22 | 18 | 43 | 110 | 30 | 51 | 46.6 | 33.8 | 14.3 | 40 | 16 | 6-M12 |
| BF-210 A8 | M85×2 | 4-M16 | 22 | 24 | 43 | 110 | 30 | 51 | 46.6 | 33.8 | 14.3 | 40 | 16 | 3-M8 |
| BF-212 A8 | M100×2 | 4-M18 | 23 | 25 | 51 | 130 | 30 | 61.3 | 56 | 45.8 | 15.8 | 50 | 21 | 3-M9 |
| BF-215 A11 | M130×2 | 4-M20 | 30 | 28 | 66 | 165 | 43 | 82 | 76.7 | 46.8 | 13.8 | 62 | 22 | 4-M10 |
| BF-218 A11 | M130×2 | 4-M20 | 30 | 28 | 66 | 165 | 43 | 82 | 76.7 | 79.75 | 15.25 | 62 | 22 | 3-M10 |
| BF-224 A20 | M215×3 | 8-M24 | 35 | 35 | 73 | 180 | 60 | 139.9 | 133.9 | 87.5 | 24.5 | 65 | 25 | 3-M10 |
保留技术更改的权利,恕不另行通知 Subject to technology changes without prior information
非标需求可定做 Non-standard requirements can be made