品牌/Brand:NTH
三爪曲柄型大通孔夹头,超级长行程。
夹头滑动面经硬化处理及精密研磨,并直接润滑。
其安装连接方式与其他中空夹头一样,不需要更换拉杆。
高刚性、高精度及高转速。
It‵s a crank type 3-jaw power chuck, and super extra long jaw stroke.
Matching surfaces of all parts are hardened, ground and lubricated directly
Construction of high rigidity and high clamping accuracy and high rotary speed.
The connecting spec is same as other "Through-hole power chuck", No need change the "Draw tube"
尺寸单位/Size unit: mm
|
规格
Spec 型号 Model |
楔心行程 Plunger stroke mm |
爪行程直径 Jaw stroke Dia. mm |
最大夹持直径 Max chucking Dia. mm |
最小夹持直径 Min chucking Dia. mm |
容许油压缸推力 Max.D.B.Pull KN |
|---|---|---|---|---|---|
| KBL-206 | 20 | 32 | 165 | 10 | 22.6 |
| KBL-208 | 25 | 40 | 210 | 28 | 31.4 |
| KBL-210 | 28 | 42 | 254 | 42 | 37.3 |
| KBL-212 | 35 | 50 | 304 | 54 | 49 |
|
规格
Spec 型号 Model |
最大夹持力 Max clamping force KN |
最高转速 Max RPM |
最大使用压力 Max.pressure Mpa |
重量 Weight kg |
适合油压缸 Matched cylinders |
|---|---|---|---|---|---|
| KBL-206 | 19.6 | 3600 | 2.5 | 11.5 | S-100 |
| KBL-208 | 27.5 | 3000 | 2.5 | 23.6 | S-125 |
| KBL-210 | 34.3 | 2400 | 2.8 | 34.5 | S-125 |
| KBL-212 | 48 | 2100 | 2.8 | 60.8 | S-150 |
|
规格
Spec 型号 Model |
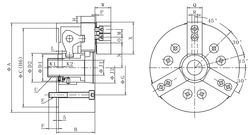
A | B | C(H7) | D1 | D2 | E | F | G | H max | J1 | J2(H9) | K1 |
|---|---|---|---|---|---|---|---|---|---|---|---|---|
| KBL-206 | 165 | 80 | 140 | 45 | 54 | 6-M10 | 16 | 104.8 | 10 | 21 | 60 | 20 |
| KBL-208 | 215 | 93 | 170 | 65 | 74 | 6-M12 | 20 | 133.4 | 11.5 | 36 | 80 | 25 |
| KBL-210 | 254 | 111 | 220 | 82 | 96 | 6-M12 | 17 | 171.4 | 13 | 55 | 105 | 25 |
| KBL-212 | 304 | 130 | 220 | 92 |
102 |
6-M16 | 22 | 171.4 | 15 | 62 | 110 | 30 |
|
规格
Spec 型号 Model |
K2 | L | M | N | O | P | Q | R | T | U | W | X |
|---|---|---|---|---|---|---|---|---|---|---|---|---|
| KBL-206 | 10 | -2--18 | 20 | 23.8--39.8 | 9--30 | 3 | 31 | 12 | 43 | M30*2 | 37 | 73 |
| KBL-208 | 10 | -4--21 | 25 | 33.8--53.8 | 10--35 | 5 | 35 | 14 | 55 | M45*2 | 40 | 95 |
| KBL-210 | 12 | -2--26 | 30 | 46.3--67.3 | 13.5--37.5 | 5 | 40 | 16 | 62 | M65*2 | 45 | 110 |
| KBL-212 | 14 | -3.5--31.5 | 30 | 48.3--73.3 | 14--52 | 5 | 50 | 21 | 77 | M72*2 | 53 | 130 |
保留技术更改的权利,恕不另行通知 Subject to technology changes without prior information
非标需求可定做 Non-standard requirements can be made
下一条:KBLT 超大行程二爪卡盘
上一条:BLT 超长爪行程动力夹头