NTH 液压卡盘

产品展示

NTH 液压卡盘

PB-ES气压式动力夹头

PNEUMATIC POWER CHUCK

点击产品图片放大

资料下载

在线询盘

产品详细介绍

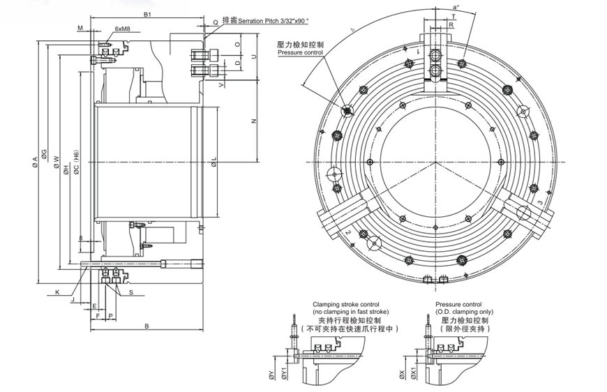
1,适用外径夹持之气压夹头其内含气压缸结构

2,具快速夹持两段式行程
3,具夹持时内部压力检知
4,具夹持行程检知
1, Air chuck for external clamping with built-in pneumatic cylinder.
2, Fast clamping with extended jaw stroke.
3, Clamping pressure control.

4, Clamping stroke control.

2025新澳原料资料大全

规格 Spec
型号 Model
通孔直径
Through hole dia.
mm
总爪行程
Total jaws stroke
mm
快速爪行程
Fast jaw stroke
mm
夹持爪行程
Clamping jaw stroke
mm
活塞面积
Piston Area
cm2
使用压力
Operating Pressure
Min-Max.(bar)
600-275 275 25.4 16.9 8.5 954 2-10
850-375 375 25.4 13.4 12 1342 2-10


规格 Spec
型号 Model
夹持力
Gripping Force
KN
最高转速
Max RPM
重量
Weight
Kg
惯性矩
I
kg*m2
空气消耗量
Air Consumption
L
外径夹持范围
Gripping range
mm
600-275 180 1100 360 20.6 39.5 135-275
850-375 250 750 980 110 68 115-375


规格 Spec
型号 Model
A B B1 C D
Max./Min.
E F G H J K L M
600-275 605 280 282 450 79/38 20 37 585 508 25 12-M12 275 8
850-375 850 352 354 700 140/47 25 44.5 830 745 30 12-M16 375 8


规格 Spec
型号 Model
N
Max./Min.
O
Min.
P Q R S T U V W X X1 Y Y1
600-275 204.6/179.2 14 26 3 25.5 G1/2 57 116.5 M20 535 508 35 508 35 15 60
850-375 268/242.6 16 33 4 30 G1/2 75 182 M24 775 745 35 745 35 15 60
备注:当使用压力6 Bar时, Remarks: When operation pressure at 6 bar.

保留技术更改的权利,恕不另行通知 Subject to technology changes without prior information
非标需求可定做 Non-standard requirements can be made


最新新闻

  • 东莞国际机床展览会

    展会及展位信息: 时间:2025.10.29-11.01 开放时间:09:00-18:00 地点: 广东现代国际展览中心 展位号:3A-08

    深入了解
  • 玉环国际机床展览会

    展会及展位信息: 时间:2025.10.17-10.20 开放时间:09:00-18:00 地点: 浙江省台州市玉环市玉环会展中心 展位号:W2-T26

    深入了解
  • 武汉国际机床展-中国国际机电产品博览会WME

    展会及展位信息: 时间:2025年10月11日-13日 开放时间:09:00-18:00 地点:武汉国际博览中心 展位号:B1-1306 & B1-1004

    深入了解