NTH 液压卡盘

产品展示

NTH 液压卡盘

BW 五爪中空动力卡盘

5 Jaw Through Hole Power Chuck

点击产品图片放大

资料下载

在线询盘

产品详细介绍

品牌:NTH

多点夹持,针对薄壁管形,环形工件,可改善工件夹持过程中的变形问题。

More contact point clamping, it can improve the deformation issue during clamping process for thin wall pipe or ring like workpiece.

2025新澳原料资料大全

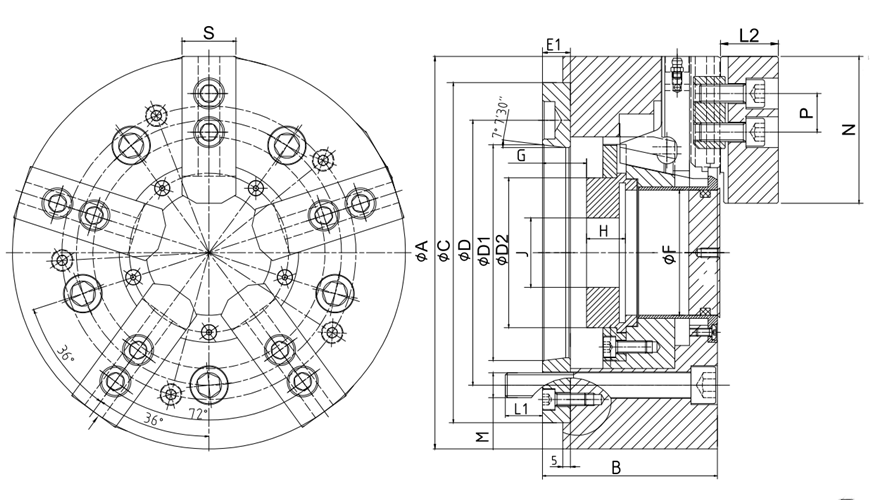
尺寸单位/Size Unit:mm

规格 Spec
型号 Model

楔心行程
Plunger stroke
(mm)

爪行程直径
Jaw stroke (Dia)
(mm)

最大夹持直径
Max clamping dia
(mm)

最小夹持直径
Min clamping dia
(mm)

容许油压缸推力

Max.D.B.Pull
KN(kgf)

BW-06A5

12

5.5

168

15

17.1(2200)

BW-08A6

16

7.4

210

13

34.3(3500)

BW-10A8

21

8.9

254

46

34.3(3000)


规格 Spec
型号 Model

最大夹持力
Max clamping force
KN(kgf)

最高转速
Max RPM

重量
Weight
kg

适合油压缸
Matched cylinders

最大使用压力
Max.pressure
Mpa(kgf/cm2)

BW-06A5

35.8(5500)

5000

15.5

H-1246/HK-1246

2.74(20)

BW-08A6

85.8(8750)

5000

25.5

H-1552/HK-1552

2.8(28)

BW-10A8

85.8(7000)

2500

43.5

H-1875/HK-1875

2.1(21)


规格 Spec
型号 Model

A

B

CH6

D

D1

E1

G max

G min

H

BW-06A5

169

97

140

104.8

82.563

21

26

14

17.5

BW-08A6

210

103

170

133.4

106.375

17

31.5

15.5

20

BW-10A8

254

120

220

171.4

139.719

25

28.5

7.5

25


规格 Spec
型号 Model

F

L1

L2

J

D2

M

N

P

S

BW-06A5

45

15.5

37

M55*2.0

60

10

73

20

31

BW-08A6

52

19

37

M60*2.0

66

12

73

20

31

BW-10A8

81

24

43

M85*2.0

94

16

110

30

40

保留技术更改的权利,恕不另行通知 Subject to technology changes without prior information

非标需求可定做 Non-standard requirements can be made

最新新闻

  • 东莞国际机床展览会

    展会及展位信息: 时间:2025.10.29-11.01 开放时间:09:00-18:00 地点: 广东现代国际展览中心 展位号:3A-08

    深入了解
  • 玉环国际机床展览会

    展会及展位信息: 时间:2025.10.17-10.20 开放时间:09:00-18:00 地点: 浙江省台州市玉环市玉环会展中心 展位号:W2-T26

    深入了解
  • 武汉国际机床展-中国国际机电产品博览会WME

    展会及展位信息: 时间:2025年10月11日-13日 开放时间:09:00-18:00 地点:武汉国际博览中心 展位号:B1-1306 & B1-1004

    深入了解