品牌:NTH
1. 适用于轴类工件加工,卡盘具有补偿式夹紧和后拉的功能,对中心的补偿量为5mm。
2. 尾座支撑工件,卡盘补偿夹紧后,把工件拉向中心顶尖,依此加工后同轴度会非常好。
1. It's suitable for shaft machining, the chuck have the function of compensation clamping and pulling back, the compensation size is 5mm.2. The tailstock support the shaft, after compensation clamping, the chuck pull the shaft back to center, better concentricity can be made.

UNIT: mm
|
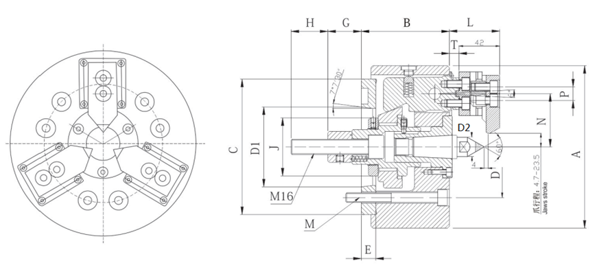
规格 Spec |
楔心行程 |
爪行程直径 |
最大夹持直径 |
最小夹持直径 |
容许油压缸推力
Max.D.B.Pull |
最大夹持力 |
|---|---|---|---|---|---|---|
|
FWD-06A5 |
16 |
13 |
35 |
6 |
14.7(1500) |
25.0(2550) |
|
FWD-08A6 |
20 |
18 |
65 |
16 |
19.6(2000) |
34.3(3500) |
规格 Spec
补偿量
最高转速
惯性矩
重量
适合油压缸
最大使用压力
FWD-06A5
5
3500
0.5
13
SNK-100
2.1(21)
FWD-08A6
6
3000
0.5
22
SNK-125
2.8(28)
型号 Model
Compensation
(mm)
Max RPM
I
kg*m2
Weight
kg
Matched cylinders
Max.pressure
Mpa(kgf/cm2)
|
规格 Spec |
A |
B |
C(H6) |
D |
D1 |
D2 |
E |
G |
|---|---|---|---|---|---|---|---|---|
|
FWD-06A5 |
168 |
116 |
140 |
104.8 |
82.56 |
24 |
15 |
4--20 |
|
FWD-08A6 |
210 |
127 |
170 |
133.4 |
106.38 |
32 |
17 |
9--29 |
|
规格 Spec |
H |
J |
L |
M |
N |
P |
T |
|---|---|---|---|---|---|---|---|
|
FWD-06A5 |
38 |
50 |
52 |
M10x120 |
55 |
14 |
34 |
|
FWD-08A6 |
38 |
58 |
61 |
M12x125 |
67 |
20 |
41.5 |
保留技术更改的权利,恕不另行通知 Subject to technology changes without prior information
非标需求可定做 Non-standard requirements can be made
下一条:FQ 快拆式动力夹头
上一条:FW三爪强力浮动油压卡盘