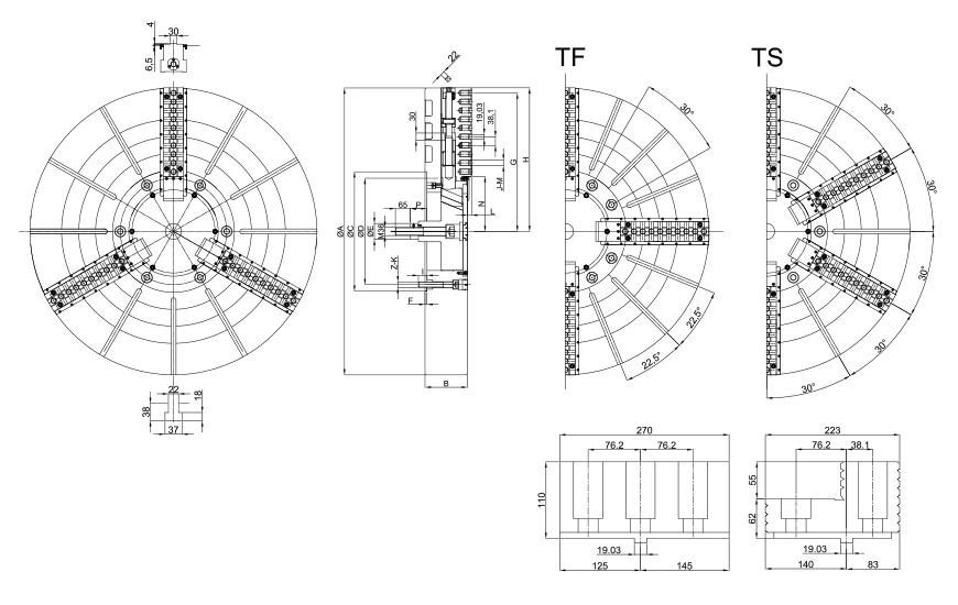
Chucking operations of very large components externalor internal clamping.
Suitable for vertical lathe,due to the front protection ofinternal clamping.
Master jaw with manual radial setting function.
單位 : mm
|
型式 规格 |
爪数 |
柱塞行程 (mm) |
卡爪行程 (半径)+单动调整 (mm) |
最大容許拉力 (kgf) |
最大夾持力 (kgf) |
最大使用油壓力 (kgf / cm2) |
|---|---|---|---|---|---|---|
| T-240R | 3 | 57 | 15.2+30 | 18300 | 32600 | 42.8 |
| TF-240R | 4 | 57 |
15.2+30 |
18300 | 32600 | 42.8 |
| TS-240R | 6 | 57 |
15.2+30 |
18300 | 32600 | 42.8 |
| T-250R | 3 | 57 |
15.2+30 |
18300 | 32600 | 42.8 |
| TF-250R | 4 | 57 |
15.2+30 |
18300 | 32600 | 42.8 |
| TS-250R | 6 | 57 |
15.2+30 |
18300 | 32600 | 42.8 |
| T-255R | 3 | 57 |
15.2+30 |
18300 | 32600 | 42.8 |
| T-263R | 3 | 60 |
16+30 |
20400 | 36700 | 46.9 |
| TF-263R | 4 | 60 |
16+30 |
20400 | 36700 | 46.9 |
| TS-263R | 6 | 60 |
16+30 |
20400 | 36700 | 46.9 |
| T-279R | 3 | 60 |
16+30 |
20400 | 36700 | 46.9 |
| T-298R | 3 | 60 |
16+30 |
20400 | 36700 | 46.9 |
|
型式 規格 |
最高轉速 (r.p.m.) |
重量(kg) |
慣性矩 I(kg‧m2 ) |
適合 油壓缸 |
適合硬爪 | 適合生爪 |
外徑挾持範圍 (mm) |
|---|---|---|---|---|---|---|---|
| T-240R | 500 | 645 | 82 | S-250R | HJ-40 | SC-40 | Ø285-Ø1005 |
| 4T-240R | 400 | 700 | 89 | S-250R | HJ-40 | SC-40 | Ø285-Ø1005 |
| TS-240R | 350 | 700 | 89 | S-250R | HJ-40 | SC-40 |
Ø285-Ø1005 |
| T-250R | 400 | 890 | 168 | S-250R | HJ-40 | SC-40 | Ø270-Ø1250 |
| 4T-250R | 350 | 940 | 177 | S-250R | HJ-40 | SC-40 | Ø270-Ø1250 |
| TS-250R | 300 | 971 | 183 | S-250R | HJ-40 | SC-40 | Ø270-Ø1250 |
| T-255R | 250 | 1200 | 322 | S-250R | HJ-40 | SC-40 |
Ø270-Ø1400 |
| T-263R | 200 | 1800 | 548 | S-250R | HJ-40 | SC-40 | Ø390-Ø1600 |
| 4T-263R | 160 | 1700 | 518 | S-250R | HJ-40 | SC-40 | Ø390-Ø1600 |
| TS-263R | 120 | 1800 | 548 | S-250R | HJ-40 | SC-40 | Ø390-Ø1600 |
| TS-279R | 100 | 2850 | 1350 | S-250R | HJ-40 | SC-40 | Ø440-Ø2000 |
| TS-298R | 50 | - | - | - | HJ-40 | SC-40 | - |
| 型式尺寸 | A | B | C | D | E | F |
G (MAX) |
|---|---|---|---|---|---|---|---|
| T-240R | 1000 | 180 | 520 | 463.6 | 70 | 8 | 479 |
| 4T-240R | 1000 | 180 | 520 | 463.6 | 70 | 8 | 479 |
| TS-240R | 1000 | 180 | 520 | 463.6 | 70 | 8 | 479 |
| T-250R | 1250 | 217 | 520 | 463.6 | 70 | 8 | 479 |
| 4T-250R | 1250 | 217 | 520 | 463.6 | 70 | 8 |
479 |
| TS-250R | 1250 | 217 | 520 | 463.6 | 70 | 8 | 479 |
| T-255R | 1400 | 220 | 720 | 647.6 | 70 | 8 |
479 |
| T-263R | 1600 | 220 | 720 | 647.6 | 70 | 8 | 479 |
| 4T-263R | 1600 | 220 | 720 | 647.6 | 70 | 8 | 479 |
| TS-263R | 1600 | 220 | 720 | 647.6 | 70 | 8 | 479 |
| TS-279R | 2000 | 238 | 720 | 647.6 | 70 | 8 | 479 |
| TS-298R | 2500 | 260 | 1020 | 956 | 70 | 8 | 479 |
| 型式尺寸 |
H (MAX)
|
I | Z-K | L |
N (MAX) |
N (MIN) |
P |
J-M |
|---|---|---|---|---|---|---|---|---|
| T-240R | 500 | 42 | 6-M24 | 20 | 230 | 184.8 | 41 | 7-M24 |
| 4T-240R | 500 | 42 | 8-M24 | 20 | 230 | 184.8 | 41 | 7-M24 |
| TS-240R | 500 | 42 | 6-M24 | 20 | 230 | 184.8 | 41 | 7-M24 |
| T-250R | 625 | 35 |
6-M24 |
20 | 230 | 184.8 | 41 | 10-M24 |
| 4T-250R | 625 | 35 |
8-M24 |
20 | 230 | 184.8 | 41 | 10-M24 |
| TS-250R | 625 | 35 |
6-M24 |
20 | 230 | 184.8 | 41 |
10-M24 |
| T-255R | 700 | 43 |
6-M30 |
20 | 208.5 | 163.6 | 41 |
12-M24 |
| T-263R | 800 | 44 | 6-M30 | 20 | 249 | 203 | 33 |
14-M24 |
| 4T-263R | 800 | 44 | 6-M30 | 20 | 249 | 203 | 33 | 14-M24 |
| TS-263R | 800 | 44 | 6-M30 | 20 | 249 | 203 | 33 |
14-M24 |
| TS-279R | 1000 | 48 | 6-M30 | 20 | 249 | 203 | 40 | 19-M24 |
| TS-298R | 1250 | 50 | 12-M30 | 20 | 249 | 203 | 40 |
26-M24 |
下一条:FRS三爪浮动卡盘
上一条:T-R 防尘防水立车用油压夹头