NTH 手动卡盘

产品展示

NTH 手动卡盘

N01 超薄型夹盘

N01 SUPER THIN CHUCKS

点击产品图片放大

资料下载

在线询盘

产品详细介绍

超薄型夹盘之特色:
1.轻、薄、短小的设计,适用于工件量测夹持。
2.直接转动旋盘,免于使用板手旋转干涉。
3.钢制本体,耐用性甚佳。
4.夹爪正反夹持两用设计,操作方便。

SUPER THIN CHUCKS
1.By the compactness comes from "Light Thin,Short,Small" designing concept; the chucks are the most fitting to hold work pieces for measuring.By the compactness comes from"Light, Thin and Small" designing concept,the chucks are most fitting to hold workpieces for measuring.
2.Just rotate the chuck knob directly for gripping and loosening,a handle is not necessary to be used.Rotating the chuck knob directly for gripping and loosening, the handle is not necessary to be used.
3.Chuck body is made of very durable steel.The chuck body is made of very durable steel.
4.Jaws can be reversibly used; gripping of various sizes becomes much convenient.Jaws can be reversibly used. Gripping for various sizes becomes much convenient.


2025新澳原料资料大全

2025新澳原料资料大全

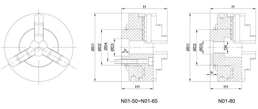
规格 / Specification  单位/UNIT:mm

型式/规格
MODEL/SPEC
外径夹持范围 反爪A-B
O.D.Clamping Range
mm
外径夹持范围 反爪C-D
O.D.Clamping Range
mm

外径夹持范围 正爪E-F
O.D.Clamping Range
mm


最大夹持

Max.Gripping Force

(kn)

净重
Weight
kg
N01-50 Ø1-Ø15 Ø20-Ø48 Ø20-Ø47
7 0.4
N01-65 Ø2-Ø16 Ø25-Ø60 Ø22-Ø55
8 0.7
N01-80 Ø2-Ø18 Ø25-Ø75 Ø22-Ø63
9 1.2


型式/规格
MODEL/SPEC
D1 D2 D3 D4 h H H1
N01-50 50 28 15 M12X1.0 4 48 33
N01-50 50 28 15 M14X1.0 4 48 33
N01-50 50 28 15 SM3/4-16 4 48 33
N01-65
68 28 15 M12X1.0 4 48 33
N01-65 68 28 15 M14X1.0 4 48 33
N01-65 68 28 15 SM3/4-16 4 48 33
N01-80 84 45 25 3-M5 3 42 30
保留技术更改的权利,恕不另行通知 Subject to technology changes without prior information
非标需求可定做 Non-standard requirements can be made

下一条:没有了

上一条:NST 不锈钢超薄型夹盘

最新新闻

  • 东莞国际机床展览会

    展会及展位信息: 时间:2025.10.29-11.01 开放时间:09:00-18:00 地点: 广东现代国际展览中心 展位号:3A-08

    深入了解
  • 玉环国际机床展览会

    展会及展位信息: 时间:2025.10.17-10.20 开放时间:09:00-18:00 地点: 浙江省台州市玉环市玉环会展中心 展位号:W2-T26

    深入了解
  • 武汉国际机床展-中国国际机电产品博览会WME

    展会及展位信息: 时间:2025年10月11日-13日 开放时间:09:00-18:00 地点:武汉国际博览中心 展位号:B1-1306 & B1-1004

    深入了解