品牌/Brand:NTH
紧凑设计减少干涉
标配的钳口能够安装舍弃式硬质合金卡块
极浅的工件夹持深度并且无需预加工
夹持范围大
灵活使用
Compact design reduces interference
The standard jaws can accommodate removable hardalloy clamps
Extremely shallow workpiece clamping depth and nopre-processing required
The clamping range is large
Flexible use
自定心夹紧,手动操作
工件中心始终处于同一位置
灵活安装,可正反安装可安装于机床工作台面
自带常规零点定位系统标准接口
Self-centering clamping, manual operation
The centers of the workpieces are always in the sameposition
Flexible installation, can be installed in either direction
It can be installed on the worktable of a machine tool
It comes with a standard interface for the conventionalzero-point positioning system
尺寸单位/Size unit: mm
|
型号 MODEL |
钳口宽度 | 钳口高度 | 扭矩(Nm) | 夹紧力(KN) | 重复定心精度(mm) | 钳体材质 | 钳口材质 |
|---|---|---|---|---|---|---|---|
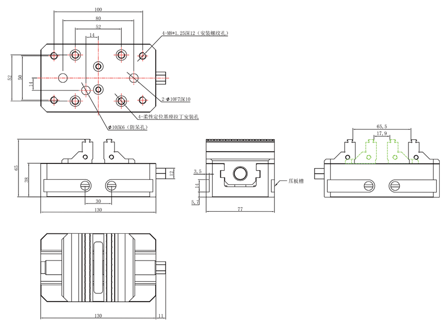
| NH03-FR80 | 79 | 23.5 | 85 | 20 | 0.02 | 40CrNiMo | Cr12Mov |
尺寸单位/Size unit: mm
|
型号 MODEL |
钳口宽度 | 钳口高度 | 扭矩(Nm) | 夹紧力(KN) | 重复定心精度(mm) | 钳体材质 | 钳口材质 |
|---|---|---|---|---|---|---|---|
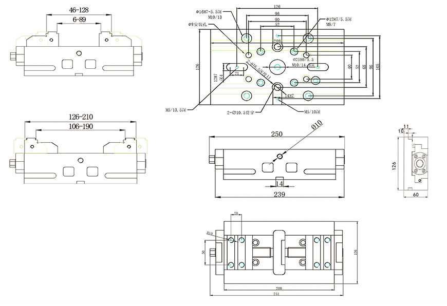
| NH03-FR80H | 77 | 27 | 50 | 14 | 0.02 | 40CrNiMo |
Cr12Mov |
尺寸单位/Size unit: mm
|
型号 MODEL |
钳口宽度 | 钳口高度 | 扭矩(Nm) | 夹紧力(KN) | 重复定心精度(mm) | 钳体材质 | 钳口材质 |
|---|---|---|---|---|---|---|---|
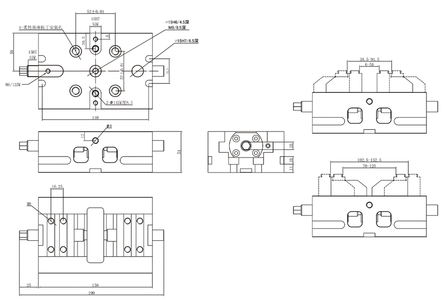
| NH03-FG80 | 80 | 27.5 | 35 | 18 | 0.02 | 40CrNiMo |
Cr12Mov |
尺寸单位/Size unit: mm
|
型号 MODEL |
钳口宽度 | 钳口高度 | 扭矩(Nm) | 夹紧力(KN) | 重复定心精度(mm) | 钳体材质 | 钳口材质 |
|---|---|---|---|---|---|---|---|
|
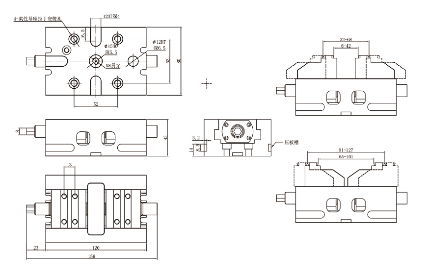
NH03-FD100 |
100 | 28.5 | 23 | 13 | 0.02 | 40CrNiMo | Cr12Mov |
| NH03-FD100-9X2STD | 100 | 28.5 | 23 | 13 | 0.02 |
40CrNiMo |
Cr12Mov |
|
NH03-FD100-9X2HRC |
100 | 28.5 | 23 | 13 | 0.02 |
40CrNiMo |
Cr12Mov |
|
NH03-FD100-9X2ALU |
100 | 28.5 | 23 | 13 | 0.02 |
40CrNiMo |
Cr12Mov |
尺寸单位/Size unit: mm
|
型号 MODEL |
钳口宽度 | 钳口高度 | 扭矩(Nm) | 夹紧力(KN) | 重复定心精度(mm) | 钳体材质 | 钳口材质 |
|---|---|---|---|---|---|---|---|
|
NH03-FD130 |
126 | 30 | 50 | 23 | 0.02 | 40CrNiMo | Cr12Mov |
| NH03-FD130-STD | 126 | 30 | 50 | 23 | 0.02 |
40CrNiMo |
Cr12Mov |
|
NH03-FD130-HRC |
126 | 30 | 50 | 23 | 0.02 |
40CrNiMo |
Cr12Mov |
|
NH03-FD130-ALU |
126 | 30 | 50 | 23 | 0.02 |
40CrNiMo |
Cr12Mov |
尺寸单位/Size unit: mm
|
型号 MODEL |
钳口宽度 | 钳口高度 | 扭矩(Nm) | 夹紧力(KN) | 重复定心精度(mm) | 钳体材质 | 钳口材质 |
|---|---|---|---|---|---|---|---|
|
NH03-FD130L |
126 | 30 | 63 | 30 | 0.02 | 40CrNiMo | Cr12Mov |
| NH03-FD130L-STD | 126 | 30 | 63 | 30 | 0.02 |
40CrNiMo |
Cr12Mov |
|
NH03-FD130L-HRC |
126 | 30 | 63 | 30 | 0.02 |
40CrNiMo |
Cr12Mov |
|
NH03-FD130L-ALU |
126 | 30 | 63 | 30 | 0.02 |
40CrNiMo |
Cr12Mov |
下一条:MHV超精密油压虎钳
上一条:TMV同求心虎钳