亿川产品 油压夹头

产品展示

亿川产品 油压夹头

DV/DN 立式與立臥式油壓夾頭系列

Vertical and vertical horizontal stationary power chuck

点击产品图片放大

资料下载

在线询盘

产品详细介绍

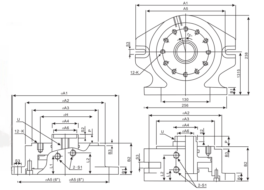
適用於立式、銑削與鑽孔工作。
立臥式中空油壓夾頭具有貫通孔徑,可做長工件夾持,並且可做臥式加工工作。

2025新澳原料资料大全

單位 : mm

型式
規格
活塞直徑
(mm)
活塞面積
(cm2 )
推側 / 拉側
最大
拉桿出力
(kgf)
推側 / 拉側
活塞行程
(mm)
最大使用
油壓力
(kgf / cm2)
重量
(kg)
適合夾頭
DV-6 Ø115 104 / 78.5 1900 / 1400 20 20 12 V-206
DV-8 Ø155 187 / 148.6 3600 / 2800 21 20 21 V-208, V-210, V-212
DN-8 Ø155 148.6 / 148.6 2800 / 2800 17 20 28.5 N-208


型式
尺寸
A1 A2 A3 A4 A5 A6 B1 B2 B3 H
DV-6 Ø220 168 140 55 Ø220 49 16 65.5 5.5 104.78
DV-8 Ø290 210 170 70 242 58 24 86 5.5 133.35
DN-8 Ø293 213 170 70 242 52 24 100 5.5 133.35


型式
尺寸
K L1 L2 Pmax. Pmin. S1 S2 S3 U 參考圖
DV-6 12-M10x16L 38 45 18 -2 PT 1/4" 7.6 2-Ø15 M16xP2.0 Fig-1
DV-8 12-M12x18L 23 65 20 -1 PT 1/4" 5.5 2-16 M16xP2.0 Fig-1
DN-8 12-M12x18L 32.5 74.5 30.4 13.4 PT 1/4" 16 4-17 M60xP2.0 Fig-2


最新新闻

  • 东莞国际机床展览会

    展会及展位信息: 时间:2025.10.29-11.01 开放时间:09:00-18:00 地点: 广东现代国际展览中心 展位号:3A-08

    深入了解
  • 玉环国际机床展览会

    展会及展位信息: 时间:2025.10.17-10.20 开放时间:09:00-18:00 地点: 浙江省台州市玉环市玉环会展中心 展位号:W2-T26

    深入了解
  • 武汉国际机床展-中国国际机电产品博览会WME

    展会及展位信息: 时间:2025年10月11日-13日 开放时间:09:00-18:00 地点:武汉国际博览中心 展位号:B1-1306 & B1-1004

    深入了解