亿川产品 软/硬夹爪

产品展示

亿川产品 软/硬夹爪

SKC 強力型生爪

Soft jaw for strong scroll chuck

点击产品图片放大

资料下载

在线询盘

产品详细介绍

三爪夾盤強力型生爪。

特殊規格設計製造。

2025新澳原料资料大全

單位 : mm


型式
規格
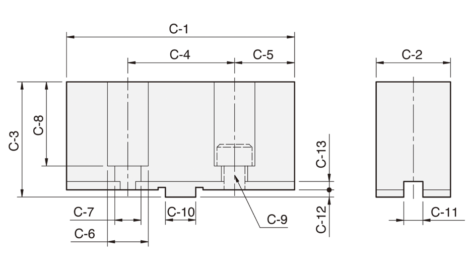
C-1 C-2 C-3 C-4 C-5 C-6 C-7 C-8
SKC04 52 19 30 24 14 11 7 21
SKC06 73 26 37 38 17.5 14 8.5 27
SKC07 95 31 48 44.5 25.25 17 11 35
SKC09 110 37 48 54 28 19 13 34
SKC12 125 40 54 63.5 30.75 19 13 40.5
SKC16 160 50 70 76.2 41.9 25 17 48
HE2486 155 59 86 76.2 52.9 32 22 66
  

型式
規格
C-9 C-10 C-11 C-12 C-13 適合夾頭 三爪重量
(kg)
SKC04 M6 9.53 7.94 2.5 3 SK-4 0.45
SKC06 M8 12.68 7.94 3 3.5 SK-6, KD-6" 1.5
SKC07 M10 12.68 7.94 3 3.5 SK-7, SK-8, KD-8", KA-8" 2.7
SKC09 M12 19.03 12.7 3 3.5 SK-9, SK-10, KD-10", KA-10" 3.7
SKC12 M12 19.03 12.7 3 3.5 SK-12, KD-12", KA-12" 4.9
SKC16 M16 19.03 12.7 6 3.5 SK-16 11
HE2486 M20 19.03 12.7 6 4 HB4-2P 19.2(4PC)


最新新闻

  • 东莞国际机床展览会

    展会及展位信息: 时间:2025.10.29-11.01 开放时间:09:00-18:00 地点: 广东现代国际展览中心 展位号:3A-08

    深入了解
  • 玉环国际机床展览会

    展会及展位信息: 时间:2025.10.17-10.20 开放时间:09:00-18:00 地点: 浙江省台州市玉环市玉环会展中心 展位号:W2-T26

    深入了解
  • 武汉国际机床展-中国国际机电产品博览会WME

    展会及展位信息: 时间:2025年10月11日-13日 开放时间:09:00-18:00 地点:武汉国际博览中心 展位号:B1-1306 & B1-1004

    深入了解