四個一組附T型螺栓。
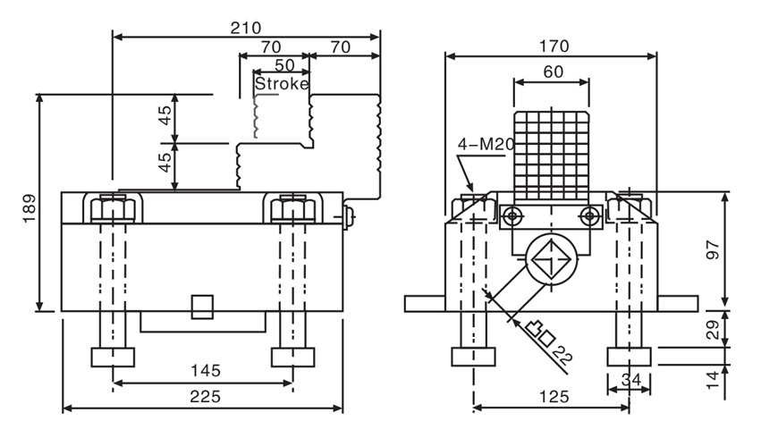
單位 : mm
|
型式 規格 |
爪行程直徑 (mm) |
最大夾持力 (kn) |
重量(kg) |
|---|---|---|---|
| HB4-160 | 20 | 39.2 | 29 |

單位 : mm
|
型式 規格 |
爪行程直徑 (mm) |
最大夾持力 (kn) |
重量(kg) |
|---|---|---|---|
| HB4-189 | 50 | 39.2 | 31 |

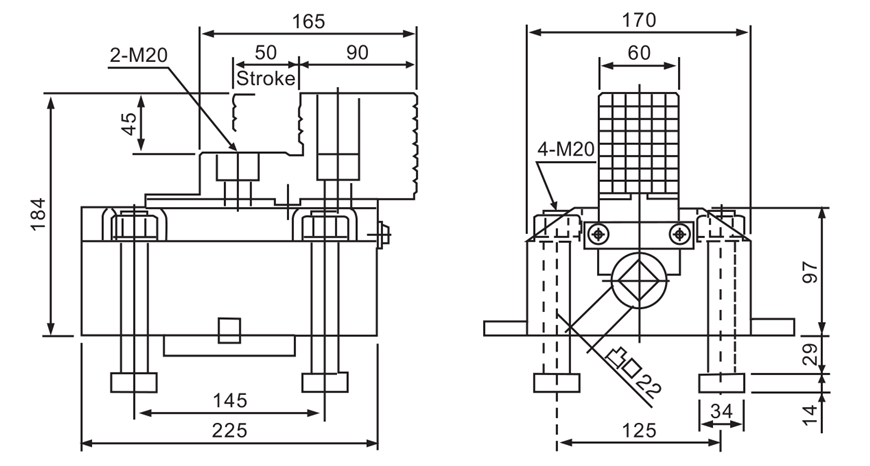
|
型式 規格 |
爪行程直徑 (mm) |
最大夾持力 (kn) |
重量(kg) | 適合生爪 |
|---|---|---|---|---|
| HB4-2P | 50 | 39.2 | 31 | HE2486 |
下一条:没有了