AUTO-STRONG PRODUCTS Hydraulic Cylinder

AUTO-STRONG PRODUCTS Hydraulic Cylinder

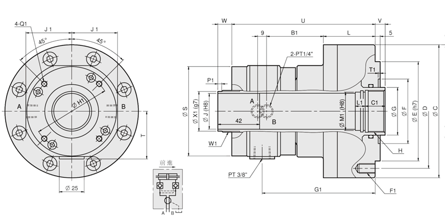
MM HIGH SPEED AND COMPACT THROUGH-HOLE ROTARY HYDRAULIC CYLINDER

High speed and compact through-hole rotary hydraulic cylinder

Click on product image magnification

Download

Online inquiry

Products in detail

Compact hydraulic cylinder design with light weight can reduce the spindle loading while running in high speed.

Built-in check valve in safety auto lock and pressure relief valve in case of power failure occur which prevents the workpiece from flying out.

New model developed for rear locking installation.


2025新澳原料资料大全

Unti: mm

Model/Size Piston Dia.
(mm)
Eff. piston area
(cm2)
extend / Retract
Max. tube power
KN(kgf)
extend / Retract
Piston Stroke
(mm)
Max Hydraulic pressure
(kgf / cm2)
MAX. RPM
(r.p.m.)
 Inertia
(kg
m2 )
Weight
(kg)
Total Leakage
L/min
MM1036A 100 64 / 60

23.8(2427)

22.3(2274)

5 4.0(40.8) 8000 0.013 7 0.8
MM1246A 125 100 / 89

38(3875)

33(3365)

15 4.0(40.8) 7000 0.026 9.8 3


Model/size C D E F G H J L T U Vmax. Vmin. Wmax. Wmin.
MM1036A 134 115 100 65 48 M42xP1.5 36 52 48 144 10 5 17 12
MM1246A 155 130 100 80 65 M55xP2.0 46 76 61 179 15 0 40 25


Model/size B1 C1 F1 G1 H1 J1 L1 M1 Q1 T1 W1 P1 X1
MM1036A 57 20 6-M10x15 113.5 76 46 10 38 M4x9L 2 M42xP1.5 2 40
MM1246A 59.5 30 12-M10x20 140 105 59 15 50 M6x10L 6 M52xP1.5 9 50


News

  • MANUFACTURING INDONESIA 2025

    Exhibition:MANUFACTURING INDONESIA 2025 Date:03. - 06. December 2025 Time:10:00 am. – 06:00 pm. Add: Balai Sidang Jakarta Convention Center,Jakarta,Indonesia Booth:A-150

    Learn more
  • METALEX 2025

    Exhibition:METALEX 2025 Date:From 19 to 22 November, 2025 Time:10:00 am. – 06:00 pm. Add: BITEC International Trade & Exhibition Centre,Bangkok, Thailand Booth:H101-BD01

    Learn more
  • MSV 2025

    Exhibition:MSV 2025 International Engineering Fair Date: Tuesday, October 7, 2025 - Friday, October 10, 2025 Add: Brno Exhibition Centre, Brno, Czech Republic Booth:P-115

    Learn more