AUTO-STRONG PRODUCTS Hydraulic Cylinder

AUTO-STRONG PRODUCTS Hydraulic Cylinder

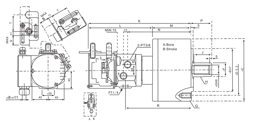
MS-C NON-THROUGH HOLE ROTARY HYDRAULIC CYLINDER

Non through-hole rotary hydraulic cylinder(valve and switch brackets included)

Click on product image magnification

Download

Online inquiry

Products in detail

Built-in safety check valves in case of power failure occur which prevents the workpiece from flying out.

Detection safety device.

The proximity switches are extra option

Including proximity plate.

2025新澳原料资料大全

Unit : mm

Model/size Eff. Piston Area 
(cm2)
Extend / Retract
Max. tube power
KN(kgf)
Extend / Retract
Piston Stroke
(mm)
Max. hydraulic pressure
Mpa(kgf / cm2)
MAX. RPM
(r.p.m.)
Inertia
(kg
m2 )
Weight    
(kg)
Total Leakage
L/min
MS105C 84 / 79 29 (2957) 20 4.0(40.8) 6000 0.0125 7.6 0.8
MS125C 120 / 113 42 (4283) 25 4.0(40.8) 6000 0.022 10.5 0.8
MS125C35 120 / 113 42 (4283) 35 4.0(40.8) 6000 0.022 10.5 0.8
MS150C 174 / 160 60 (6118) 30 4.0(40.8) 5500 0.047 14 0.8
MS200C 312 / 290 108 (11013) 35 4.0(40.8) 5500 0.097 22.5 0.8



Model/Size A B C D E F G H j
MS105C 105 20 135 100 80 30 21 M20xP2.5 35
MS125C 125 25 160 130 110 35 25 M24xP3.0 44
MS125C35 125 30 160 130 110 35 25 M24xP3.0 44
MS150C 150 30 190 130 110 45 31 M30xP3.5 45
MS200C 200 35 245 145 120 55 37 M36xP4.0 60



Model/Size K L M N Pmax. Pmin. Q R S T
MS105C 257 168 89 152 45 25 6-M10x20 158 23 46
MS125C 265 168 97 160 51 26 6-M12x24 166 23 46
MS125C35 269 168 101 164 57 22 6-M12x24 170 23 46
MS150C 274 168 106 169 56 26 12-M12x24 175 23 46
MS200C 288 168 122 183 69 34 12-M16x30 189 28 46
Tube puling power:Hydraulic pressure:4.0MPa (40.8 kgf/cm2)

Total leakage:Hydraulic pressure 3.0MPa (30.6 kgf/cm2)and the tempreture 50°C
Proximity:Specification:BESS 16-329-E4-Y (BALLUFF) DC 12/24V 200mA NPN

News

  • MANUFACTURING INDONESIA 2025

    Exhibition:MANUFACTURING INDONESIA 2025 Date:03. - 06. December 2025 Time:10:00 am. – 06:00 pm. Add: Balai Sidang Jakarta Convention Center,Jakarta,Indonesia Booth:A-150

    Learn more
  • METALEX 2025

    Exhibition:METALEX 2025 Date:From 19 to 22 November, 2025 Time:10:00 am. – 06:00 pm. Add: BITEC International Trade & Exhibition Centre,Bangkok, Thailand Booth:H101-BD01

    Learn more
  • MSV 2025

    Exhibition:MSV 2025 International Engineering Fair Date: Tuesday, October 7, 2025 - Friday, October 10, 2025 Add: Brno Exhibition Centre, Brno, Czech Republic Booth:P-115

    Learn more