AUTO-STRONG PRODUCTS Hydraulic Cylinder

AUTO-STRONG PRODUCTS Hydraulic Cylinder

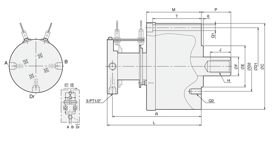
MR Short Type Non Through Hole Rotary Hydraulic Cylinder

Short Type Non Through Hole Rotary Hydraulic

Click on product image magnification

Download

Online inquiry

Products in detail

Light weight and short form design can reduce the spindle loading for vertical lathe application.

Built-in check valve and proximity switch brackets. In case of power failure occur which prevents the workpiece from flying out.

Developed for rear locking installation.


2025新澳原料资料大全

Unit : mm

Model/size Piston Dia.
(mm)
Eff. piston area
(cm2)
Extend / Retract
Max. tube force power
KN(kgf)
Extend / Retract
Piston Stroke
(mm)
Max. hydraulic pressure
(kgf / cm2)
MAX. RPM
(r.p.m.)
 Inertis
(kg
m2 )
Weight
(kg)
Total Leakage
L/min
MR15035 150 171.1 / 156.7

72(7342)

66(6730)

35 4.5(45.9) 5500 0.043 12.8 0.8
MR20060 200 310 / 286

146(14887)

134(13664)

60 4.9(50) 5000 0.55 49 2
MR25060 250 481.5 / 453.6

227(23147)

214(21822)

60 4.9(50) 2000 0.81 72 2


Model/size C C1 D1 D2 E(h7) F G H J L M Pmax. Pmin. Q1 Q2 R T Z
MR15035 202 204 180 130 110 110 45 M30x3.5 45 175 95 61 26 6-Ø13 12-M12 163 82 5
MR20060 250 225 225 145 120 55 37 M36xP4.0 60 270 156 85 25 6-Ø17 6-M16 255 140 6
MR25060 300 305 275 220 160 65 44 M42xP3.0 60 280 168 85 25 6-Ø17 6-M20 265 150 6


News

  • MANUFACTURING INDONESIA 2025

    Exhibition:MANUFACTURING INDONESIA 2025 Date:03. - 06. December 2025 Time:10:00 am. – 06:00 pm. Add: Balai Sidang Jakarta Convention Center,Jakarta,Indonesia Booth:A-150

    Learn more
  • METALEX 2025

    Exhibition:METALEX 2025 Date:From 19 to 22 November, 2025 Time:10:00 am. – 06:00 pm. Add: BITEC International Trade & Exhibition Centre,Bangkok, Thailand Booth:H101-BD01

    Learn more
  • MSV 2025

    Exhibition:MSV 2025 International Engineering Fair Date: Tuesday, October 7, 2025 - Friday, October 10, 2025 Add: Brno Exhibition Centre, Brno, Czech Republic Booth:P-115

    Learn more