SI SERISES INTRODUCTION:
It's suitable for the lathe machine, rotary table and CNC machine center and so on, it can work for regular or irregular workpiece without changing the chuck.
lt has the gripping function of both scroll chuck and independent movement chuck.
Back mounting hole design, and front mounting is achievable.

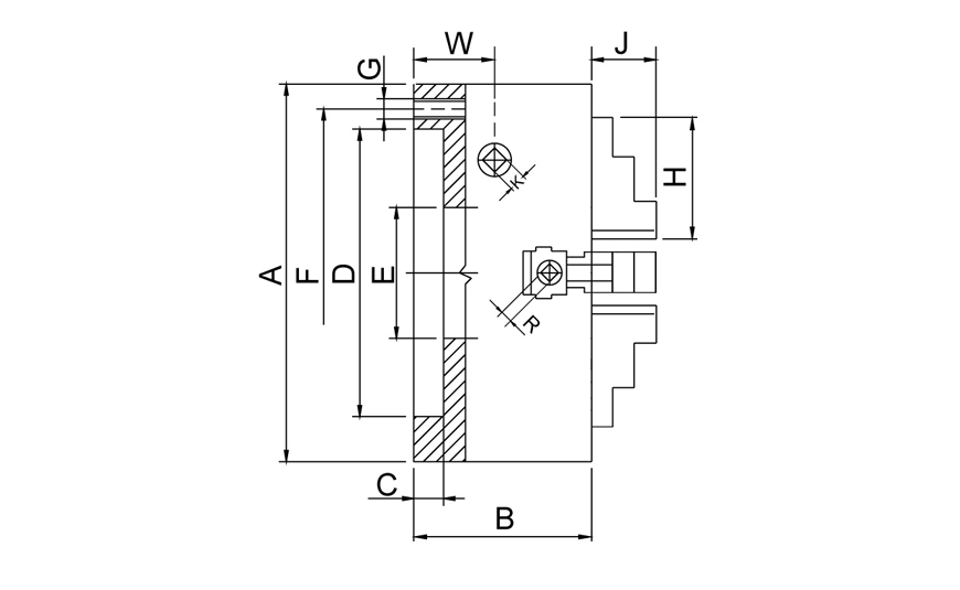
Size Unit:mm
|
MODEL/SPEC
|
A
|
B
|
C
|
D
|
E
|
F
|
G
|
|
SIF-160
|
160
|
82
|
4
|
125
|
42
|
140
|
3-M10
|
|
SIF-200
|
200
|
86
|
4
|
160
|
55
|
176
|
3-M10
|
|
SIF-250
|
250
|
101
|
5
|
200
|
76
|
224
|
3-M12
|
|
SIF-315
|
315
|
118
|
5
|
260
|
103
|
286
|
3-M16
|
SIF-400
|
400
|
124
|
6
|
330
|
136
|
362
|
3-M16
|
SIF-500
|
500
|
145
|
6
|
420
|
190
|
458
|
3-M16
|
SIF-630
|
630
|
160
|
7
|
545
|
252
|
586
|
3-M16
|
SIF-800
|
800
|
200
|
10
|
710
|
267
|
760
|
3-M20
|
SIF-1000
|
1000
|
236
|
10
|
910
|
460
|
950
|
3-M24
|
SIF-1250
|
1250
|
241
|
10
|
1000
|
560
|
1100
|
3-M30
|
|
MODEL/SPEC
|
H
|
J
|
K
|
R
|
W
|
RPM max
|
|
SIF-160
|
69
|
28.5
|
11
|
6
|
22.3
|
3200
|
|
SIF-200
|
85
|
31
|
11
|
8
|
26
|
3000
|
|
SIF-250
|
91
|
33
|
14
|
8
|
29.3
|
2500
|
|
SIF-315
|
125
|
42
|
14
|
10
|
32
|
2000
|
|
SIF-400
|
145
|
58
|
17
|
10
|
36
|
1500
|
SIF-500
|
180
|
61
|
19
|
12
|
43.5
|
1000
|
SIF-630
|
225
|
72
|
19
|
12
|
48.5
|
750
|
SIF-800
|
245
|
67
|
19
|
17
|
57.5
|
600
|
SIF-1000
|
245
|
88
|
24
|
19
|
67
|
380
|
SIF-1250
|
245
|
88
|
24
|
19
|
72
|
200
|
Size Unit:mm
|
型式/规格
MODEL/SPEC
|
A
|
B
|
C
|
D
|
E
|
F
|
G
|
H
|
J
|
|
HJ-SIF-160
|
69
|
50
|
20
|
8
|
9
|
Tr16x2
|
19
|
43
|
10
|
|
HJ-SIF-200
|
85
|
58
|
25
|
10
|
11
|
Tr18x2
|
23.5
|
57.5
|
12
|
|
HJ-SIF-250
|
91
|
59
|
28
|
10
|
10
|
Tr18x2
|
26.5
|
60
|
14
|
Size Unit:mm
|
型式/规格
MODEL/SPEC
|
A
|
B
|
C
|
D
|
E
|
F
|
G
|
|
BJ-SIF-160
|
64
|
16
|
28
|
20
|
9
|
27
|
10
|
|
BJ-SIF-200
|
79
|
18
|
36
|
25
|
9
|
33.5
|
12
|
|
BJ-SIF-250
|
92
|
17.5
|
40
|
28
|
10
|
40
|
12
|
Subject to technology changes without prior information
Non-standard requirements can be made