NTH MANUAL CHUCKS GB SERIES

NTH MANUAL CHUCKS GB SERIES

SI 3-JAW COMBINATION MANUAL CHUCK

SI 3 JAW COMBINATION MANUAL CHUCK

Click on product image magnification

Download

Online inquiry

Products in detail

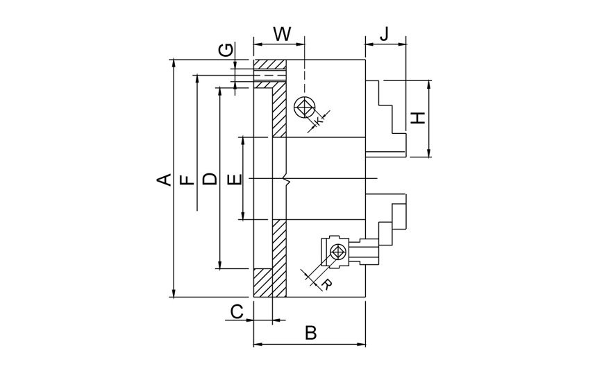
SI Serise Introduction:

It's suitable for the lathe machine, rotary table or CNC machine center and so on, it can work for regular or irregular workpiece without changingthe chuck.

lt has the gripping function of both scroll chuck and independentmovement chuck.

Back mounting hole design, and front mounting is achievable.

2025新澳原料资料大全

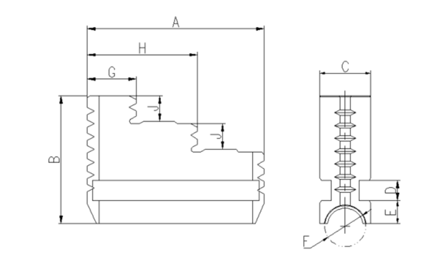
Size Unit:mm

MODEL/SPEC

A

B

C

D

E

F

G

SI-160

160

82

4

125

42

140

3-M10

SI-200

200

86

4

160

55

176

3-M10

SI-250

250

101

5

200

76

224

3-M12

SI-315

315

118

5

260

103

286

3-M16

SI-400
400 124 6 330 136 362 3-M16
SI-500
500 145 6 420 190 458 3-M16
SI-630
630 160 7 545 252 586 3-M16
SI-800
800 200 10 710 267 760 3-M20
SI-1000
1000 236 10 910 460 950 3-M24
SI-1250
1250 241 10 1000 560 1100 3-M30


MODEL/SPEC

H

J

K

R

W

RPM MAX

SI-160

69

28.5

11

6

22.3

3200

SI-200

85

31

11

8

26

3000

SI-250

91

33

14

8

29.3

2500

SI-315

125

42

14

10

32

2000

SI-400

145

58

17

10

36

1500

SI-500
180 61 19 12 43.5 1000
SI-630
225 72 19 12 48.5 750
SI-800
245 67 19 17 57.5 600
SI-1000
245 88 24 19 67 380
SI-1250
245 88 24 19 72 200


2025新澳原料资料大全

2025新澳原料资料大全


Size Unit:mm

MODEL/SPEC

A

B

C

D

E

F

G

H J

HJ-SI-160

69

50

20

8

9

Tr16x2

19

43
10

HJ-SI-200

85

58

25

10

11

Tr18x2

23.5

57.5 12

HJ-SI-250

91

59

28

10

10

Tr18x2

26.5

60 14
2025新澳原料资料大全


Size Unit:mm

型式/规格
MODEL/SPEC

A

B

C

D

E

F

G

BJ-SI-160

64

16

28

20

9

27

10

BJ-SI-200

79

18

36

25

9

33.5

12

BJ-SI-250

92

17.5

40

28

10

40

12

Subject to technology changes without prior information

Non-standard requirements can be made


News

  • MANUFACTURING INDONESIA 2025

    Exhibition:MANUFACTURING INDONESIA 2025 Date:03. - 06. December 2025 Time:10:00 am. – 06:00 pm. Add: Balai Sidang Jakarta Convention Center,Jakarta,Indonesia Booth:A-150

    Learn more
  • METALEX 2025

    Exhibition:METALEX 2025 Date:From 19 to 22 November, 2025 Time:10:00 am. – 06:00 pm. Add: BITEC International Trade & Exhibition Centre,Bangkok, Thailand Booth:H101-BD01

    Learn more
  • MSV 2025

    Exhibition:MSV 2025 International Engineering Fair Date: Tuesday, October 7, 2025 - Friday, October 10, 2025 Add: Brno Exhibition Centre, Brno, Czech Republic Booth:P-115

    Learn more