NTH 液压卡盘

产品展示

NTH 液压卡盘

4TT 四爪双动夹头

4-JAW TWO-TWO MOTION POWER CHUCK

点击产品图片放大

资料下载

在线询盘

产品详细介绍

品牌/Brand:NTH

四爪两两动曲柄型动力夹头

适用于四方形或异形不规格的工件夹持加工

高钢性、高精度、高转速。

It's a crank type 4 jaw chuck, 2 opposite jaw’s independent motion separately.

It's applicable for clamping square bar or other special shape workpiece.

Construction of high rigidity and high clamping accuracy and high rotary speed.



2025新澳原料资料大全

尺寸单位/Size unit: mm

规格 Spec

型号 Model

楔心行程

Plunger stroke mm

爪行程直径

Jaw stroke Dia. mm

最大夹持直径

Max.clamping dia. mm

最小夹持直径

Min.clamping dia. mm

容许油压缸推力

Max D.B.pull

KN

4TT-08

17

13.6

210

24

161630

4TT-10

20

16

254

50

21.62200

4TT-12

20

16

304

50

21.62200

4TT-15 25 19.5 381 60 27.2(2700)


规格 Spec

型号 Model

最大夹持力

Max.clamping force

KN

最高回转数

Max RPM

最高使用压力

Max Pressure

Mpa

重量

Weight

kg

适用油缸

Matching Cylinder

4TT-08

54.35540

3000

1.717

23

SRD-120N

4TT-10

79.48100

2100

2.222

44.5

SRD-125N

4TT-12

79.48100

1500

2.222

57.5

SRD-125N

4TT-15 105.3(10500) 1200 2.7(27) 118.3 SRD-125N


规格Spec

型号Model

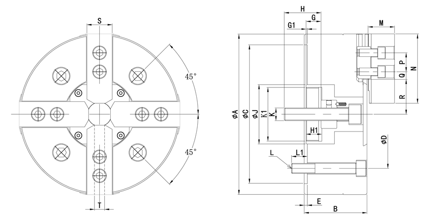
A

B

C(H6)

D

E

G Max.

G Min.

G1 Max.

G1 Min.

H

H1

J

K

4TT-08

210

91

170

133.4

5

32

15

4

-13

29

20

66

M14*2

4TT-10

254

110

220

171.4

5

36.5

16.5

10

-10

36

23

90

M16*2

4TT-12

304

110

220

171.4

5

36.5

16.5

10

-10

36

23

90

M16*2

4TT-15 381 135 300 235 5 44.5 19.5 5 -20 45 28 125 M20*2.5


规格 Spec

型号 Model

K1

L

L1

M

N

P

Q Max.

Q Min.

R Max.
R Min.

S

T

惯  量

Moment of inertial

Kg.m^2

4TT-08

M34*1.5

4-M12

20

38

95

25

25.3

13.3

46.1 39.3

35

14

0.15

4TT-10

M45*1.5

4-M16

25

43

110

30

32.3

12.8

59 51

40

16

0.35

4TT-12

M45*1.5

4-M16

25

43

110

30

56.8

13.3

59 51

40

16

0.65

4TT-15 M55*2.0 4-M20 30 51 130 30 66.5 12.5 78.9 69.1 50 21 0.95

15寸以上规格卡盘可做防尘防水结构

保留技术更改的权利,恕不另行通知 Subject to technology changes without prior information

非标需求可定做 Non-standard requirements can be made


最新新闻

  • 东莞国际机床展览会

    展会及展位信息: 时间:2025.10.29-11.01 开放时间:09:00-18:00 地点: 广东现代国际展览中心 展位号:3A-08

    深入了解
  • 玉环国际机床展览会

    展会及展位信息: 时间:2025.10.17-10.20 开放时间:09:00-18:00 地点: 浙江省台州市玉环市玉环会展中心 展位号:W2-T26

    深入了解
  • 武汉国际机床展-中国国际机电产品博览会WME

    展会及展位信息: 时间:2025年10月11日-13日 开放时间:09:00-18:00 地点:武汉国际博览中心 展位号:B1-1306 & B1-1004

    深入了解