NTH 液压卡盘

产品展示

NTH 液压卡盘

FR摆动补偿型三爪夹头

SWING COMPENSATION TYPE 3 JAW CHUCK

点击产品图片放大

资料下载

在线询盘

产品详细介绍

品牌/Brand:NTH

工件偏心补偿量2mm,中心顶针定位,三爪摆动夹持工件。

适合铸件及锻件等原材料进行加工。
特殊密封圈,防尘及防切削液,使保养工作更加便利。
摆动机构零件均以合金钢加以热处理硬化及研磨,以提升产品使用寿命。
The compensation for eccentric workpiece is 2mm, positioned by the core center,3 jaw clamp the workpiece by swing way.
Suitable for processing casting and forging parts.
Special seal ring,dustproof and waterproof, easy maintenance
Swing parts are hardened by heat treatment and ground.

2025新澳原料资料大全

规格 Spec
型号 Model
楔心行程
Plunger stroke
mm
爪行程直径
Jaw stroke Dia.
mm
最大夹持直径
Max chucking Dia.
mm
最小夹持直径
Min chucking Dia.
mm

容许油压缸推力

Max.D.B.Pull

kgf
FR-08 20 8 65 18 19.6(2000)
FR-10 25 10 90 22 29.4(3000)


规格 Spec
型号 Model
最大夹持力
Max clamping force
kgf
最高转速
Max RPM
惯性矩
I
kg*m2
重量
Weight
kg
适合油压缸
Matched cylinders
补偿量
Compensation
mm
FR-08 53.0(5404) 2800 0.15 27 SNK-100 2
FR-10 67.7(6901) 2500 0.38 45 SNK-125 2


规格 Spec
型号 Model
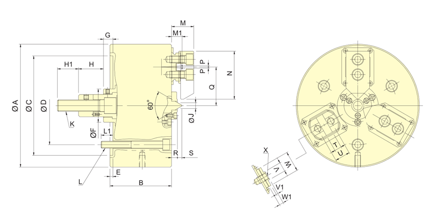
A B C(H6) D E F G max G min H H1 J K L L1
FR-08 210 105 170 133.4 5 57 26 6 42.5 36 10.4 M20×2.5 3~M12 20
FR-10 254 115 220 171.4 5.5 64 36.5 11.5 25 39 15 M20×2.5 3~M16 22.5


规格 Spec
型号 Model
M M1 N P Q max Q min R S T(H7) U V V1 W W1 X
FR-08 38 18 82 2 68 64 10 7.7 12 26 16 3 35 7 m12
FR-10 40 19 102 2.6 82 78 10 11.3 15 32 18 3 40 7 m14
保留技术更改的权利,恕不另行通知 Subject to technology changes without prior information
非标需求可定做 Non-standard requirements can be made

最新新闻

  • 东莞国际机床展览会

    展会及展位信息: 时间:2025.10.29-11.01 开放时间:09:00-18:00 地点: 广东现代国际展览中心 展位号:3A-08

    深入了解
  • 玉环国际机床展览会

    展会及展位信息: 时间:2025.10.17-10.20 开放时间:09:00-18:00 地点: 浙江省台州市玉环市玉环会展中心 展位号:W2-T26

    深入了解
  • 武汉国际机床展-中国国际机电产品博览会WME

    展会及展位信息: 时间:2025年10月11日-13日 开放时间:09:00-18:00 地点:武汉国际博览中心 展位号:B1-1306 & B1-1004

    深入了解