品牌/Brand:NTH
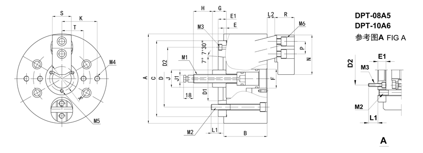
采用斜柱后拉式结构,精度高,夹紧力大。
卡盘工作时,由斜柱的后拉将工件拉向定位面再进行夹紧,从而保证了径向尺寸和轴向尺寸的精度。
本卡盘适合于夹持异型工件,尤其是对垂直度和平行度有要求的工件。
注:此型卡盘祇能做外径夹持,夹持尺寸变换时,须更换软卡爪。
It‵s adopted the structure of slanting post with pulling back type.high precision,strong clamping force.
The slanting post of the chuck pull the workpiece back to position place,and then clamping it,therefore,the chuck can ensure the accuracy of radial size and axial size.
This chuck is applicable for clamping the special shape workpiece.especially,itˊs applicable for the workpiece which need high precision requirements on squareness and parallelism.
Re:This chuck is only for clamping out diameter,the soft jaws need chanqing when the clamping size is changed.
尺寸单位/Size unit: mm
|
规格
Spec 型号 Model |
楔心行程 Plunger stroke mm |
爪行程直径 Jaw stroke Dia. mm |
容许油压缸推力 Max.D.B.Pull KN(kgf) |
最大夹持力 Max clamping force KN(kgf) |
|---|---|---|---|---|
| DPT-06A5 | 15 | 7.8 | 6(610) | 16.7(1700) |
| DPT-08A5 | 20 | 10.3 | 10.7(1090) | 30(3060) |
| DPT-08A6 | 20 | 10.3 | 10.7(1090) | 30(3060) |
| DPT-10A6 | 20 | 10.3 | 14(1430) | 40(4080) |
|
DPT-10A8 |
20 | 10.3 | 14(1430) | 40(4080) |
|
规格
Spec 型号 Model |
最高转速 Max RPM |
最大使用压力 Max.pressure Mpa(Kgf/cm²) |
惯性矩 I kg*m² |
重量 Weight Kg |
|---|---|---|---|---|
|
DPT-06A5 |
3500 | 1.7(17) | 0.06 | 14 |
| DPT-08A5 | 3000 | 1.5(15) | 0.14 | 26 |
| DPT-08A5 | 3000 | 1.5(15) | 0.14 | 24 |
|
DPT-10A6 |
2500 | 1.3(13) | 0.36 | 50 |
|
DPT-10A8 |
2500 | 1.3(13) | 0.36 | 49 |
|
规格
Spec 型号 Model |
A | B | C(H6) | D | D1 | E | E1 | F | G max | G min | H | J | K | L1 | L2 Min |
|---|---|---|---|---|---|---|---|---|---|---|---|---|---|---|---|
| DPT-06A5 | 165 | 88 | 140 | 104.8 | 82.56 | 5 | 15 | 35 | 30 | 15 | 35 | 32 | 55 | 13 | 8 |
| DPT-08A5 | 210 | 100 | 170 | 133.4 | 82.56 | 5 | 23 | 45 | 27 | 7 | 38 | 37 | 75 | 17 | 9 |
| DPT-08A5 | 210 | 100 | 170 | 133.4 | 106.38 | 5 | 17 | 45 | 27 | 7 | 38 | 37 | 75 | 17 | 9 |
| DPT-10A6 | 254 | 110 | 220 | 171.4 | 106.38 | 5 | 25 | 55 | 31 | 11 | 41 | 48 | 85 | 19 | 9 |
|
DPT-10A8 |
254 | 110 | 220 | 171.4 | 139.72 | 5 | 18 | 55 | 31 | 11 | 41 | 48 | 85 | 19 | 9 |
|
规格
Spec 型号 Model |
M1 | M2 | M3 | M4 | M5 | M6 | N | P | R | S | T | X |
|---|---|---|---|---|---|---|---|---|---|---|---|---|
| DPT-06A5 | M16 | 6-M10 | 4-M6 | 4-M6 | 3-M5 | 6-M10 | 73 | 23 | 23 | 35 | 35 | 45 |
| DPT-08A5 | M20 | 6-M12 | 6-M10 | 4-M10 | 3-M6 | 6-M12 | 82 | 26 | 26 | 40 | 50 | 60 |
| DPT-08A5 | M20 | 6-M12 | 4-M6 | 4-M10 | 3-M6 | 6-M12 | 82 | 26 | 26 | 40 | 50 | 60 |
| DPT-10A6 | M24 | 6-M16 | 6-M12 | 4-M10 | 3-M6 | 6-M14 | 100 | 32 | 32 | 50 | 55 | 70 |
|
DPT-10A8 |
M24 | 6-M16 | 4-M8 | 4-M10 | 3-M6 | 6-M14 | 100 | 32 | 32 | 50 | 55 | 70 |
下一条:DPR 3爪后拉式油压卡盘
上一条:2LT 中实长爪行程夹头