品牌/BAND:NTH
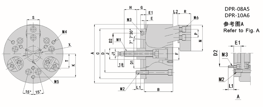
1, DPR后拉式油压夹头,在径向夹持工件的同时向后斜拉。
2, 工件紧贴定位端面,不会上浮,适合对铸件及锻件的重切削加工。
3, 夹头采用圆柱滑动结构,重复夹持精度与定长精度好。
4, 可搭配气密检测装装置。
DPR pull back power chuck, it pulls back while radial clamping the workpiece.
When the workpiece is clamped onto the basic position end, it can’t move up, it’s suitable for processing casting and forgings parts.
The cylindrical sliding structure is adopted, the repeating clamping accuracy and length fixing accuracy is excellent.
It can go with air detection device to check if the clamping is OK or not.

型号 Model
楔心行程
Plunger stroke
(mm)
爪行程(直径)
Jaw stroke(mm)
许用推拉力
Max.Pull force
KN(kgf)
最大夹紧力
Max. Gripping force
KN(kgf)
极限转速
Max. Speed
(r/min)
DPR-06A5
15
7.8
9(910)
25.0(2550)
3500
DPR-08A5
20
10.3
16(1630)
45.0(4590)
3000
DPR-08A6
20
10.3
16(1630)
45.0(4590)
3000
DPR-10A6
20
10.3
21(2140)
60.0(6120)
2500
DPR-10A8
20
10.3
21(2140)
60.0(6120)
2500
DPR-12A8
20
10.3
45(4590)
112.5(11470)
2100
DPR-15A11
20
10.3
53.9(5500)
134.7(13750)
1800
DPR-18A11
20
10.3
53.9(5500)
134.7(13750)
1500
DPR-21A11
28
20
89.2(9100)
151.6(15470)
1200
DPR-24A11
28
20
89.2(9100)
151.6(15470)
1000
|
型号 Model |
夹紧范围 Gripping range (mm) |
惯量 Moment of inertial (kg.m²) |
重量 Weight (kg) |
适用油缸 Matching cylinder |
最大使用压力 Max. pressure MPa (kgf/cm²) |
|---|---|---|---|---|---|
|
DPR-06A5 |
22-165 |
0.05 |
16.8 |
S-100 |
2.5(25) |
|
DPR-08A5 |
28-210 |
0.14 |
28.9 |
S-125 |
2.2(22) |
|
DPR-08A6 |
28-210 |
0.14 |
27.1 |
S-125 |
2.2(22) |
|
DPR-10A6 |
35-254 |
0.36 |
53.5 |
S-125 |
1.9(19) |
|
DPR-10A8 |
35-254 |
0.36 |
51.5 |
S-125 |
1.9(19) |
| DPR-12A8 | 50-304 |
0.79 |
73 | S-150 | 2.9(29) |
| DPR-15A11 | 60-381 | 2.05 | 137 | S-200 | 2.0(20) |
|
DPR-18A11 |
80-457 | 2.67 | 180 | S-200 | 2.0(20) |
|
DPR-21A11 |
100-510 | 5.1 | 230 | S-200 | 3.1(31) |
| DPR-24A11 | 160-610 | 7.3 | 330 | S-200 | 3.1(31) |
|
型号 Model |
A |
B |
C(H6) |
D |
D1 |
D2 |
E |
E1 |
F |
G max |
G min |
H |
J |
J1 |
K |
L1 |
|---|---|---|---|---|---|---|---|---|---|---|---|---|---|---|---|---|
|
DPR-06A5 |
165 |
85 |
140 |
104.8 |
82.56 |
116 |
5 |
15 |
35 |
30 |
15 |
35 |
32 |
13 |
55 |
13 |
|
DPR-08A5 |
210 |
100 |
170 |
133.4 |
82.56 |
104.8 |
5 |
23 |
45 |
27 |
7 |
38 |
37 |
16 |
75 |
17 |
|
DPR-08A6 |
210 |
100 |
170 |
133.4 |
106.38 |
150 |
5 |
17 |
45 |
27 |
7 |
38 |
37 |
16 |
75 |
17 |
|
DPR-10A6 |
254 |
110 |
220 |
171.4 |
106.38 |
133.4 |
5 |
25 |
55 |
31 |
11 |
41 |
48 |
20 |
85 |
19 |
|
DPR-10A8 |
254 |
110 |
220 |
171.4 |
139.72 |
190 |
5 |
18 |
55 |
31 |
11 |
41 |
48 |
20 |
85 |
19 |
|
DPR-12A8 |
304 | 125 | 220 | 171.4 | 139.72 | 190 | 5 | 18 | 65 | 50 | 30 | 50 | 55 | 22 | 105 | 20 |
| DPR-15A11 | 381 | 140 | 300 | 235 | 196.87 | 260 | 5 | 22 | 80 | 60 | 40 | 55 | 60 | 25 | 140 | 25 |
|
DPR-18A11 |
457 | 140 | 300 | 235 | 196.87 | 260 | 5 | 22 | 80 | 60 | 40 | 55 | 60 | 25 | 165 | 25 |
|
DPR-21A11 |
510 | 150 | 380 | 330.2 | 196.87 | 235 | 5 | 40 | 108 | 90 | 62 | 55 | 60 | 25 | 180 | 32 |
| DPR-24A11 | 610 | 150 | 520 | 463.6 | 196.87 | 235 | 5 | 40 | 108 | 90 | 62 | 55 | 60 | 25 | 240 | 32 |
|
型号 Model |
L2 min |
M1 |
M2 |
M3 |
M4 |
M5 |
M6 |
N |
P |
R |
S |
T |
X |
|---|---|---|---|---|---|---|---|---|---|---|---|---|---|
|
DPR-06A5 |
8 |
M16 |
6-M10 |
3-M6 |
6-M6 |
3-M5 |
6-M10 |
73 |
23 |
35 |
35 |
35 |
45 |
|
DPR-08A5 |
9 |
M20 |
6-M12 |
6-M10 |
6-M10 |
3-M6 |
6-M12 |
82 |
26 |
40 |
40 |
50 |
60 |
|
DPR-08A6 |
9 |
M20 |
6-M12 |
3-M6 |
6-M10 |
3-M6 |
6-M12 |
82 |
26 |
40 |
40 |
50 |
60 |
|
DPR-10A6 |
9 |
M24 |
6-M16 |
6-M12 |
6-M10 |
3-M6 |
6-M14 |
100 |
32 |
46 |
50 |
55 |
70 |
|
DPR-10A8 |
9 |
M24 |
6-M16 |
3-M8 |
6-M10 |
3-M6 |
6-M14 |
100 |
32 |
46 |
50 |
55 |
70 |
|
DPR-12A8 |
8 | M27 | 6-M16 | 3-M8 | 6-M10 | 3-M6 | 6-M16 | 120 | 36 | 51 | 60 | 70 | 76 |
| DPR-15A11 | 8 | M30 | 6-M20 | 3-M10 | 6-M12 | 3-M8 | 6-M16 | 165 | 40 | 55 | 70 | 95 | 100 |
|
DPR-18A11 |
8 | M30 | 6-M20 | 3-M10 | 6M12 | 3-M8 | 6-M16 | 165 | 40 | 55 | 70 | 105 | 100 |
|
DPR-21A11 |
7 | M30 | 6-M24 | 3-M20 | 9-M12 | 3-M8 | 6-M16 | 130 | 44 | 77.5 | 120 | 120 | 125 |
| DPR-24A11 | 7 | M30 | 6-M24 | 3-M20 | 12-M12 | 3-M8 | 6-M16 | 130 | 44 | 77.5 | 120 | 120 | 125 |
保留技术更改的权利,恕不另行通知 Subject to technology changes without prior information
非标需求可定做 Non-standard requirements can be made
下一条:DPF 4爪后拉式油压卡盘
上一条:DPT 2爪后拉式油压卡盘