
|
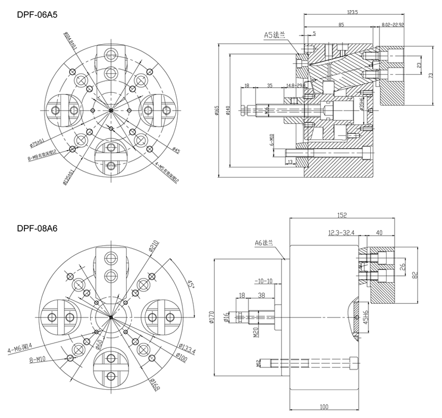
型号 Model |
楔心行程 Plunger stroke (mm) |
爪行程(直径) Jaw stroke(mm) |
夹紧范围 Gripping range (mm) |
许用推拉力 Max.Pull force KN(kgf) |
最大夹紧力 Max. Gripping force KN(kgf) |
|---|---|---|---|---|---|
|
DPF-06A5 |
15 |
7.8 |
22-165 |
9(910) |
25(2250) |
|
DPF-08A6 |
20 |
10.3 |
28-210 |
16(1630) |
45(4590) |
|
型号 Model |
极限转速 Max. Speed (r/min) |
惯量 Moment of inertial (kg.m²) |
重量 Weight (kg) |
适用油缸 Matching cylinder |
最大使用压力 Max. pressure MPa (kgf/cm²) |
|---|---|---|---|---|---|
|
DPF-06A5 |
3500 |
0.05 |
15 |
SLA-100 |
2.5(25) |
|
DPF-08A6 |
3000 |
0.15 |
26 |
SLA-125 |
1.2(22) |
下一条:3AB 后拉固锁式动力夹头
上一条:DPR 3爪后拉式油压卡盘