NTH 液压卡盘

产品展示

NTH 液压卡盘

3AB 后拉固锁式动力夹头

PULL LOCK POWER CHUCK

点击产品图片放大

资料下载

在线询盘

产品详细介绍

品牌/Brand:NTH

三爪柱销后拉型中空夹头。

适用于重切削加工。

高精度、高转速、高夹持力。

It‵s a pin-arbor draw down type 3 jaw through hole power chuck.

Suitable for heavy duty machining.

High accuracy and high rotary speed and Strong gripping force.


2025新澳原料资料大全

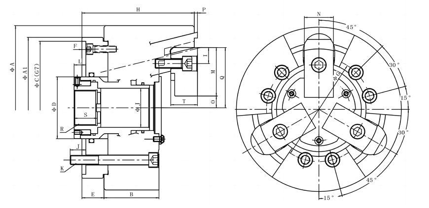
尺寸单位/Size unit: mm

规格 Spec
型号 Model
楔心行程
Plunger stroke
mm
爪行程直径
Jaw stroke Dia.
mm
最大夹持直径
Max chucking Dia.
mm
最小夹持直径
Min chucking Dia.
mm
容许油压缸推力
Max.D.B.Pull
kgf
3AB-206 10 5 100 25 17.9(1830)
3AB-208 10 5 130 25 25.0(2550)
3AB-210 10 5 160 35 35.0(3570)
3AB-212 10 5 210 85 35.0(3570)


规格 Spec
型号 Model
最大夹持力
Max clamping force
kgf
最高转速
Max RPM
惯性矩
I
kg*m2
重量
Weight
kg
最大使用压力
Max Pressure
Mpa(kgf)
3AB-206 57.8(5900) 6000 0.055 14.7 2.6(26)
3AB-208 80.0(8150) 4500 0.14 25.5 2.2(22)
3AB-210 100.0(10100) 3600 0.36 43.5 3.1(3.1)
3AB-212 100.0(10100) 3600 0.68 60.5 3.1(3.1)


规格 Spec
型号 Model
A A1 B C(H6) D E F G H I J
3AB-206 165 155 65 140 58 20.5 5 104.8 123.5 17 39
3AB-208 210 180 70 170 79 28 5 133.4 143 20.5 50
3AB-210 254 230 82 220 102 26 5 171.4 158 23 72
3AB-212 304 240 82

220

134 26 5 171.4 163 23 100


规格 Spec
型号 Model
K L M O P Q R S T X
3AB-206 M10 10-20 47 13.75-16.25 -1-9 62 M33x1.5
30 30 M5
3AB-208 M12 10-20 62 13.75-16.25 -1-9 77 M45x2.0
29.5 34 M6
3AB-210 M16 14-24 72 18.75-21.25 -1-9 92 M62x2.0
35.5 39 M8
3AB-212 M16 9-19 72 43.75-46.25 -1-9 117 M92x2.0
35.5 44 M10
保留技术更改的权利,恕不另行通知 Subject to technology changes without prior information
非标需求可定做 Non-standard requirements can be made

最新新闻

  • 东莞国际机床展览会

    展会及展位信息: 时间:2025.10.29-11.01 开放时间:09:00-18:00 地点: 广东现代国际展览中心 展位号:3A-08

    深入了解
  • 玉环国际机床展览会

    展会及展位信息: 时间:2025.10.17-10.20 开放时间:09:00-18:00 地点: 浙江省台州市玉环市玉环会展中心 展位号:W2-T26

    深入了解
  • 武汉国际机床展-中国国际机电产品博览会WME

    展会及展位信息: 时间:2025年10月11日-13日 开放时间:09:00-18:00 地点:武汉国际博览中心 展位号:B1-1306 & B1-1004

    深入了解