NTH 液压卡盘

产品展示

NTH 液压卡盘

JPS六爪膜片卡盘

3 JAW DIAPHRAGM POWER CHUCK

点击产品图片放大

资料下载

在线询盘

产品详细介绍

品牌/Brand:NTH

JPS系列 高速精密膜片夹头

JPS SERIES HIGH SPEED DIAPHRAGM CHUCK
高精密六爪油压膜片夹头
内藏抗离心设计,高转速8000RPM
夹头本体密封,放尘防水防屑。低润滑低保养需求
夹头本体无滑动磨损,精度寿命长
适合高精密工件夹持加工
夹持力可以透过油缸出力精密微调.
适合薄环件、薄管件、脆弱件夹持加工
搭配数控车床或精密研磨床工作
0.005mm repeatability.
Anti centrifugal force design. Clamping force remains high in high R.P.M.
Integrated dynamic-balancing-weights for fine balance a djustment .
No sliding parts to wear out.
Clamping force/stroke is proportional to actuating force.

Ideal for fragile parts, or thin-wall parts clamping.


应用范例

轴承薄环件

数位相机零件

气动手工具组的零件加工

微小引擎的缸套与活塞加工

超薄环形零件,超薄铝管零件

陶瓷零件加工


产品简介
高精密加工的开键来自于高精度的夹具。
JPS系列精密六爪膜片夹头应用专利膜片夹盘技术,适合精密工件或是薄型工件的精密夹持加工。
市面上常见的油压三爪夹头是由一系列滑块与滑轨所构成,滑动件的制造精度、配合精度、润滑保养、工作磨损等因素都会影响其夹持精度。专利的膜片夹盘技术是以金属膜片的弹性变形原理夹持工件物,其特微是均匀且具高重复性,工作时无滑动磨损,精度寿命超过2年以上。
2025新澳原料资料大全

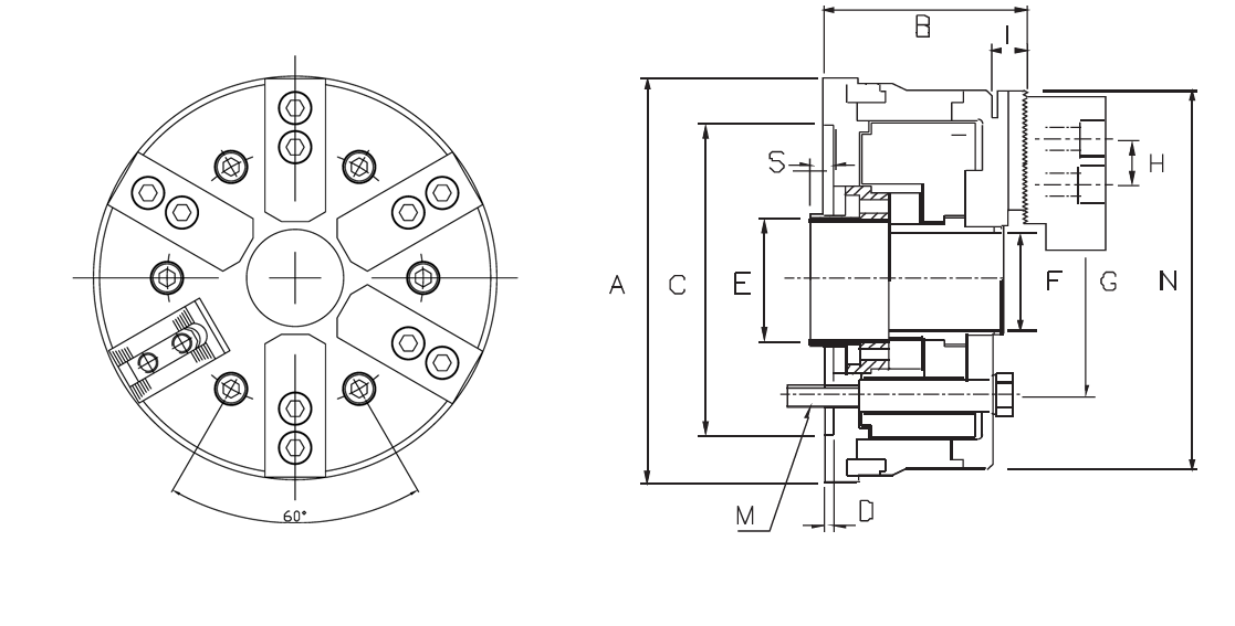
型号/Model JPS-06 JPS-08 JPS-10 JPS-12
A 182 233 267 315
B 86 98 107 107
C(H6) 140 170 220 220
D 5 5 5 5
E M55×P2.0 M60×P2.0 M85×P2.0 M100×P2.0
F 44 55 83 91
G(P.C.D) 104.8 133.4 171.4 171.4
H 14 20 25 30
I 13 17 17 19
M M10×6 M12×6 M16×6 M16×6
N 171 220 256 300
S

0-2

0-2  0-2 0-2
最高转速
Max rpm
7500 6500 5500 3500

最大推力

Max. Axial Force

2250kgf
(4950lbf)
3500kgf
(7700lbf)
4750kgf
(10450lbf)
3500kgf
(7700lbf)
适用夹头
Matching Chuck
5〞夹头 chuck 6〞夹头 chuck 8〞夹头 chuck 10〞夹头 chuck

安装法兰

Adapter plate

平背140mm

A2-5

平背170mm

A2-6

平背220mm

A2-8

平背170mm

A2-8

产品净重 N.W. 12kg 20kg 30.5kg 40kg
保留技术更改的权利,恕不另行通知 Subject to technology changes without prior information

非标需求可定做 Non-standard requirements can be made

最新新闻

  • 东莞国际机床展览会

    展会及展位信息: 时间:2025.10.29-11.01 开放时间:09:00-18:00 地点: 广东现代国际展览中心 展位号:3A-08

    深入了解
  • 玉环国际机床展览会

    展会及展位信息: 时间:2025.10.17-10.20 开放时间:09:00-18:00 地点: 浙江省台州市玉环市玉环会展中心 展位号:W2-T26

    深入了解
  • 武汉国际机床展-中国国际机电产品博览会WME

    展会及展位信息: 时间:2025年10月11日-13日 开放时间:09:00-18:00 地点:武汉国际博览中心 展位号:B1-1306 & B1-1004

    深入了解