AUTO-STRONG PRODUCTS Soft Jaws & Hard Jaws

AUTO-STRONG PRODUCTS Soft Jaws & Hard Jaws

HC SOFT JAWS FOR THE HYDRAULIC POWER CHUCK

Soft jaw for hydraulic power chuck

Click on product image magnification

Download

Online inquiry

Products in detail

Suitable for the Hydraulic chuck and the CNC lathe 2025新澳原料资料大全

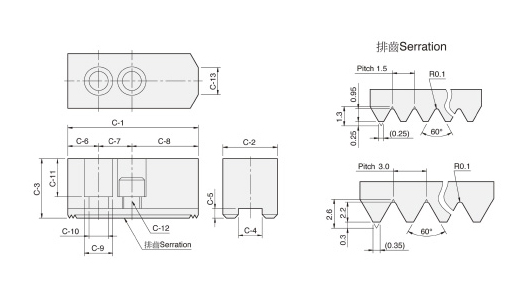
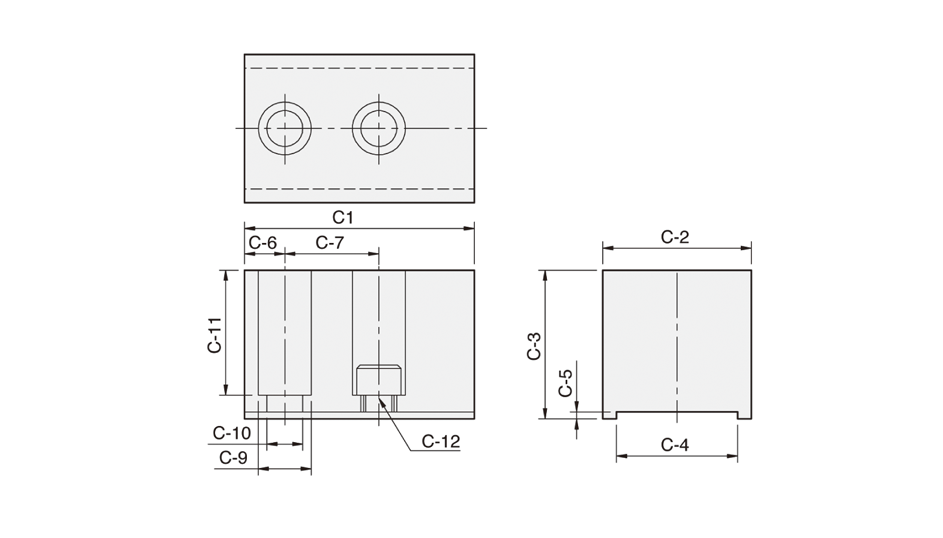
Unit : mm

Model/size C-1 C-2 C-3 C-4 C-5 C-6 C-7 C-8 C-9 C-10 C-11 C-12 C-13 serration pitch For chucks Weight for 3 jaws
(kg)
HC04 53 23 23 10 5 9 14 30 14 9 14 M8 30 1.5x60° N-204 0.45
HC05 62 25 30 10 5 9 14 39 14 9 21 M8 5 1.5x60° N-205 0.7
HC06 73 31 36 12 5 15 20 38 17 11 21 M10 14 1.5x60° N-206, NB-306, V-206 1.5
HC08 95 35 37 14 5 24 25 46 19 13 22 M12 16 1.5x60° N-208, NB-208, V-208 2.4
HC10 110 40 42 16 5 30 30 50 19 13 27 M12 18 1.5x60° N-210, NB-210, V-210 3.7
HC12 130 50 50 21 5 39 30 61 25 17 33 M16 23 1.5x60° N-212, NB-212 6.5
HC15 165 62 62 22 8 37 43 85 32 21 38 M20 1.5x60° N-215, N-218, NB-215, NB-218 12.5
HC08-1 95 35 37 12 5 24 20 51 17 11 21 M10 14 1.5x60° NHT-208 2.4
HC12-1 130 50 50 18 5 39 30 61 23 15 30 M14 23 1.5x60° V-212, V-212R 6.6
HC15-1 165 62 62 25.5 5 37 43 85 32 21 38 M20 1.5x60° V-215, V-218, V-215R, V-218R 12.5
HC24-1 180 64 70 25 9 40 60 80 32 21 45 M20 3.0x60° N-220, N-224, V-221, V-224,V-221R,V-224R 15.8
HC32-1 210 74 90 25 9 40 80 90 32 21 65 M20 3.0x60° V-232 29.2
HC15-2 156 64 70 26 9 34 50 72 32 21 45 M20 3.0x60° V-215(P3.0).V-218(P3.0). 13.4


Soft jaw for draw down power chuck

Unit : mm

Model/size C-1 C-2 C-3 C-4 C-5 C-6 C-7 C-8 C-9 C-10 C-11 C-12 C-13 for chucks Weight (3 Jaws)
(kg)
Illustration
DR-06 70 35 34 10 6 43 10 23 15.5 21 M14 2.5 DR-6 1.5 Fig-1
DR-08 84 40 44.5 16 7 53 26 12 20 13.5 29 M12 3.5 DR-8 2.7 Fig-2


2025新澳原料资料大全

Soft jaw for ball swing lock chuck

Unit: mm

Model/size C-1 C-2 C-3 C-4 C-5 C-6 C-7 C-9 C-10 C-11 C-12 For chucks Weight(3 Jaws)
(kg)
BL-12 108 70 70 57.1 3.3 19 44.45 25 17 59 M16 BL-12 10.6

2025新澳原料资料大全


Soft jaws for pneumatic power chuck
unit: mm

Model/size C-1 C-2 C-3 C-4 C-5 C-6 C-7 C-8 C-9 C-10 C-11 C-12 C-13 For chucks Weight(3-jaw)
(kg)
PB600 205 60 60 25.5 6 25 38 104 32 21 44 M20 55 PB-ES600 13.5
PB850 320 80 80 30 7 35 60 165 38 26 53 M24 110.5 PB-ES850 40.2

2025新澳原料资料大全


News

  • MANUFACTURING INDONESIA 2025

    Exhibition:MANUFACTURING INDONESIA 2025 Date:03. - 06. December 2025 Time:10:00 am. – 06:00 pm. Add: Balai Sidang Jakarta Convention Center,Jakarta,Indonesia Booth:A-150

    Learn more
  • METALEX 2025

    Exhibition:METALEX 2025 Date:From 19 to 22 November, 2025 Time:10:00 am. – 06:00 pm. Add: BITEC International Trade & Exhibition Centre,Bangkok, Thailand Booth:H101-BD01

    Learn more
  • MSV 2025

    Exhibition:MSV 2025 International Engineering Fair Date: Tuesday, October 7, 2025 - Friday, October 10, 2025 Add: Brno Exhibition Centre, Brno, Czech Republic Booth:P-115

    Learn more