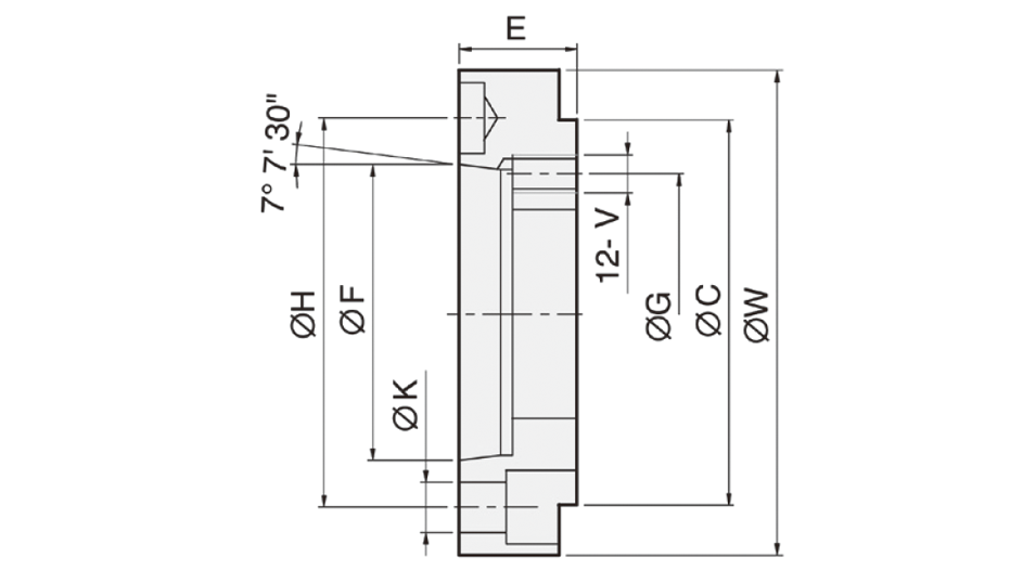
Suitable for the short taper spindle nose DIN55026
Unti : mm
|
Model/size
|
Spindle nose type
|
C
|
F
|
H
|
K
|
E
|
For chucks
|
|
N0205-0J4
|
A4
|
110
|
63.513
|
82.55
|
3-11
|
15
|
N-205
|
|
N0205-0J42
|
A4
|
110
|
63.513
|
82.55
|
4-11
|
15
|
NT-205
|
|
N0206-0J5
|
A5
|
140
|
82.563
|
104.78
|
6-11
|
15
|
N-206,
NB-306, V-206
|
|
N0206-0J52
|
A5
|
140
|
82.563
|
104.78
|
6-11
|
15
|
NT-206,
VT-206
|
|
N0206-0J54
|
A5
|
140
|
82.563
|
104.78
|
4-11
|
15
|
NIT-206
|
|
N0208-0J6
|
A6
|
170
|
106.375
|
133.35
|
6-13
|
17
|
N-208,
NB-208, V-208
|
|
N0208-0J62
|
A6
|
170
|
106.375
|
133.35
|
6-13
|
17
|
NT-208,
VT-208
|
|
N0208-0J64
|
A6
|
170
|
106.375
|
133.35
|
4-13
|
17
|
NIT-208
|
|
NHT0208-0J6
|
A6
|
170
|
106.375
|
133.35
|
6-13
|
17
|
NHT-208
|
|
N0210-0J8
|
A8
|
220
|
139.719
|
171.45
|
6-17
|
18
|
N-210,
N-212, NB-210, V-210, V-212
|
|
N0210-0J82
|
A8
|
220
|
139.719
|
171.45
|
6-17
|
18
|
NT-210,
NT-212, VT-210, VT-212
|
|
N0210-0J84
|
A8
|
220
|
139.719
|
171.45
|
4-17
|
18
|
NIT-210,
NIT-212, VIT-212
|
|
N0215-0J11
|
A11
|
300
|
196.869
|
235
|
6-21
|
22
|
N-215,
N-218, NB-212, V-215, V-218
|
|
N0215-0J112
|
A11
|
300
|
196.869
|
235
|
6-21
|
22
|
NT-215,
VT-215
|
|
N0215-0J114
|
A11
|
300
|
196.869
|
235
|
4-21
|
22
|
NIT-215,
VIT-218
|
|
V0224-0J15
|
A15
|
380
|
285.775
|
330.2
|
6-25
|
27
|
N-220,
V-221, V-224,
V-232, NB-215, NB-218
|
|
V0224-0J154
|
A15
|
380
|
285.775
|
330.2
|
8-25
|
27
|
VIT-224,
VIT-232
|
|
N0224-0J20
|
A20
|
520
|
412.775
|
463.6
|
6-25
|
|
N-224,
N-232,
V-240, V-250
|
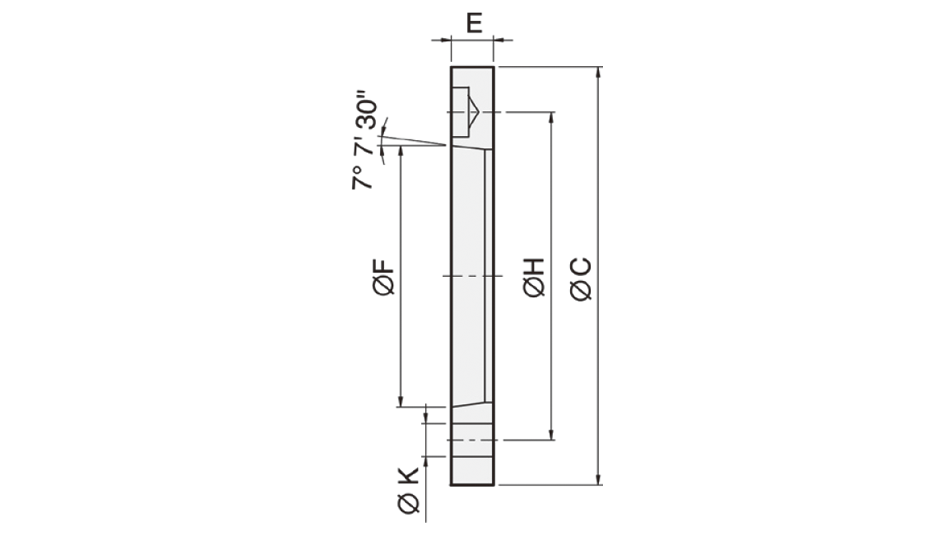
Unit : mm
|
Model/ Size
|
Spindle nose type
|
C
|
F
|
H
|
K
|
G
|
V
|
E
|
For chucks
|
|
N0206-0J4
|
A4
|
140
|
63.513
|
82.55
|
11
|
104.78
|
M10
|
20
|
N-206,
NT-206, NIT-206,
|
|
N0206-0J4
|
A4
|
140
|
63.513
|
82.55
|
11
|
104.78
|
M10
|
20
|
NB-306,
V-206, VT-206
|
|
N0208-0J5
|
A5
|
170
|
82.563
|
104.78
|
11
|
133.35
|
M12
|
23
|
N-208,
NT-208, NIT-208,
|
|
N0208-0J5
|
A5
|
170
|
82.563
|
104.78
|
11
|
133.35
|
M12
|
23
|
NHT-208
,NB-208, V-208,
|
|
N0208-0J5
|
A5
|
170
|
82.563
|
104.78
|
11
|
133.35
|
M12
|
23
|
VY-208
|
|
N0210-0J6
|
A6
|
220
|
106.375
|
133.35
|
13
|
171.45
|
M16
|
25
|
N-210,
NT-210, NIT-210,
|
|
N0210-0J6
|
A6
|
220
|
106.375
|
133.35
|
13
|
171.45
|
M16
|
25
|
N-212,
NT-212, NIT-212,
|
|
N0210-0J6
|
A6
|
220
|
106.375
|
133.35
|
13
|
171.45
|
M16
|
25
|
V-210,
VT-210, V-212,
|
|
N0210-0J6
|
A6
|
220
|
106.375
|
133.35
|
13
|
171.45
|
M16
|
25
|
VT-212,
VIT-212
|
|
N0215-0J8
|
A8
|
300
|
139.719
|
171.45
|
17
|
235
|
M20
|
33
|
N-215,
NT-215, NIT-215,
|
|
N0215-0J8
|
A8
|
300
|
139.719
|
171.45
|
17
|
235
|
M20
|
33
|
N-218,
NB-212, V-215,
|
|
N0215-0J8
|
A8
|
300
|
139.719
|
171.45
|
17
|
235
|
M20
|
33
|
VT-215,
V-218, VIT-218
|
|
N0220-0J11
|
A11
|
380
|
196.869
|
235
|
21
|
330.2
|
M24
|
41
|
N-220,
VIT-232, NB-215,
|
|
N0220-0J11
|
A11
|
380
|
196.869
|
235
|
21
|
330.2
|
M24
|
41
|
NB-218
|
|
N0224-0J11
|
A11
|
520
|
196.869
|
235
|
21
|
463.6
|
M24
|
45
|
N-224,
N-232, V-240, V-250
|
|
N0224-0J15
|
A15
|
520
|
285.775
|
330.2
|
25
|
463.6
|
M24
|
42
|
N-224,
N-232, V-240, V-250
|
|
V0224-0J8
|
A8
|
380
|
139.719
|
171.45
|
17
|
330.2
|
M24
|
33
|
V-221,
V-224, V-232
|
|
V0224-0J11
|
A11
|
380
|
196.869
|
235
|
21
|
330.2
|
M24
|
27
|
V-221,
V-224, V-232
|
|
V0263-0J20
|
A20
|
720
|
412.775
|
463.6
|
27
|
647.6
|
M30
|
50
|
VIT-263,
VE-263, VE-279
|
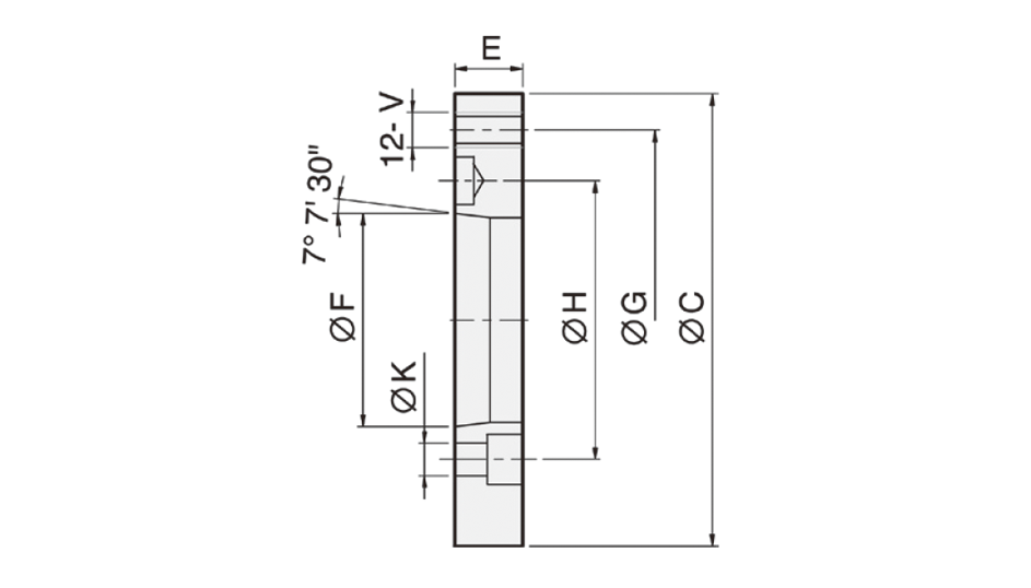
Unit: mm
|
Model / Size
|
Spindle nose type
|
C
|
F
|
H
|
K
|
G
|
V
|
W
|
E
|
For chucks
|
|
N0205-0J5
|
A5
|
110
|
82.563
|
104.78
|
11
|
82.55
|
M10
|
128
|
32
|
N-205,
NT-205
|
|
N0206-0J6
|
A6
|
140
|
106.375
|
133.35
|
13
|
104.78
|
M10
|
168
|
35
|
N-206,
NT-206,
NB-306,
|
|
N0206-0J7
|
A7
|
140
|
106.375
|
133.35
|
13
|
104.78
|
M11
|
168
|
35
|
V-206,
VT-206
|
|
N0208-0J8
|
A8
|
170
|
139.719
|
171.45
|
17
|
133.35
|
M12
|
208
|
40
|
N-208,
NT-208,
NIT-208,
|
|
N0208-0J9
|
A9
|
170
|
139.719
|
171.45
|
17
|
133.35
|
M13
|
208
|
40
|
NB-208,
V-208,
VT-208
|
|
N0212-0J11
|
A11
|
220
|
196.869
|
235
|
21
|
171.45
|
M16
|
278
|
50
|
N-210,
NT-210,
NIT-210,
|
|
N0212-0J12
|
A12
|
220
|
196.869
|
235
|
21
|
171.45
|
M17
|
278
|
50
|
N-212,
NT-212,
NIT-212,
|
|
N0212-0J13
|
A13
|
220
|
196.869
|
235
|
21
|
171.45
|
M18
|
278
|
50
|
NB-210,
V-210,
VT-210,
|
|
N0212-0J14
|
A14
|
220
|
196.869
|
235
|
21
|
171.45
|
M19
|
278
|
50
|
V-212,
VT-212,
VIT-212
|
|
N0215-0J15
|
A15
|
300
|
285.775
|
330.2
|
25
|
235
|
M20
|
378
|
57
|
N-215,
NT-215,
NIT-215,
|
|
N0215-0J16
|
A16
|
300
|
285.775
|
330.2
|
25
|
235
|
M21
|
378
|
57
|
N-218,
NB-212,
V-215,
|
|
N0215-0J17
|
A17
|
300
|
285.775
|
330.2
|
25
|
235
|
M22
|
378
|
57
|
VT-215,
V-218,
VIT-218
|
|
V0224-0J20
|
A20
|
380
|
412.775
|
463.6
|
26
|
330.2
|
M24
|
520
|
58
|
N-220,
V-221,
V-224,
|
|
V0224-0J21
|
A21
|
380
|
412.775
|
463.6
|
26
|
330.2
|
M25
|
520
|
58
|
V-232
|